7. Статические и динамические характеристики
В данном разделе приводится информация по динамическим характеристикам ядра ARM7TDMI в следующей последовательности:
1. Информация по временным диаграммам
Каждой временной диаграмме в этом разделе сопутствует таблица с параметрами этой диаграммы. В таблицах:
- символ "f" в конце наименования сигнала обозначает падающий фронт
- символ "r" в конце наименования сигнала обозначает нарастающий фронт
2. Основная временная диаграмма
На рисунке 7.1 представлена основная временная диаграмма процессора ARM7TDMI. Параметры этой временной диаграммы приведены в таблице 7.1.

Рисунок 7.1. Основная временная диаграмма
Таблица 7.1. Параметры основной временной диаграммы
| Обозн. |
Параметр |
Тип параметра |
| Taddr |
Время от MCLKr до действительного адреса |
максимум |
| Tah |
Время удержания данных от MCLKr |
минимум |
| Tbld |
Время от MCLKr до MAS[1:0] и LOCK |
максимум |
| Tblh |
Время удержания MAS[1:0] и LOCK с момента MCLKr |
минимум |
| Tcdel |
Задержка от MCLK до ECLK |
максимум |
| Texd |
Время от MCLKf до действительности nEXEC |
минимум |
| Texh |
Время удержания nEXEC от MCLKf |
минимум |
| Tmdd |
Время от MCLKr до действительности nTRANS, nM[4:0] и TBIT |
максимум |
| Tmdh |
Время удержания nTRANS и nM[4:0] от MCLKr |
минимум |
| Tmsd |
Время от MCLKf до действительности nMREQ и SEQ |
максимум |
| Tmsh |
Время удержания nMREQ и SEQ от MCLKf |
минимум |
| Topcd |
Время от MCLKr до действительности nOPC |
максимум |
| Topch |
Время удержания nOPC от MCLKr |
минимум |
| Trwd |
Время от MCLKr до действительности nRW |
максимум |
| Trwh |
Время удержания nRW от MCLKr |
минимум |
3. Управление разрешением шины адреса
На рисунке 7.2 показана временная диаграмма управления разрешением шины адреса процессора ARM7TDMI. Параметры временной диаграммы, используемой на рисунке 7.2, представлены в таблице 7.2.

Рисунок 7.2. Временная диаграмма управления разрешением шины адреса
Таблица 7.2. Параметры временной диаграммы управления разрешением шины адреса
| Обозн. |
Параметр |
Тип параметра |
| Tabe |
Время разрешения шины адреса |
Максимум |
| Tabz |
Время отключения шины адреса |
Максимум |
4. Цикл двунаправленной записи данных
На рисунке 7.3 показана временная диаграмма цикла двунаправленной записи процессора ARM7TDMI. Параметры временной диаграммы, используемые на рисунке 7.3, представлены в таблице 7.3.

Рисунок 7.3. Временная диаграмма цикла двунаправленной записи данных
Прим.: на рисунке 7.3 DBE = 1, а nENIN = 0 в течение показанного цикла.
Таблица 7.3. Параметры временной диаграммы цикла двунаправленной записи
| Обозн. |
Параметр |
Тип параметра |
| Tdoh |
Время удержания DOUT[31:0] от MCLKf |
Минимум |
| Tdout |
Время от MCLKf до действительности D[31:0] |
Максимум |
| Tnen |
Время от MCLKf до действительности nENOUT |
Максимум |
| Tnenh |
Время удержания nENOUT от MCLKf |
Минимум |
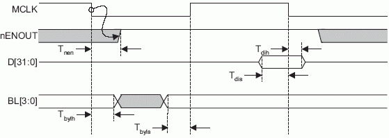
5. Цикл двунаправленного чтения данных
На рисунке 7.4 показана временная диаграмма цикла двунаправленного чтения данных процессора ARM7TDMI. Параметры временной диаграммы с рисунка 7.4 представлены в таблице 7.4.

Рисунок 7.4. Временная диаграмма цикла двунаправленного чтения данных
Прим.: на рисунке 7.4 DBE =1, а nENIN = 0 в течение показанного цикла.
Таблица 7.4. Параметры временной диаграммы цикла двунаправленного чтения данных
| Обозн. |
Параметр |
Тип параметра |
| Tbylh |
Время удержания BL[3:0] от MCLKf |
Минимум |
| Tbyls |
Время установления BL[3:0] до MCLKr |
Минимум |
| Tdih |
Время удержания DIN[31:0] от MCLKf |
Минимум |
| Tdis |
Время установления DIN[31:0] до MCLKf |
Минимум |
| Tnen |
Время от MCLKf до действительности nENOUT |
Максимум |
6. Управление шиной данных
На рисунке 7.5 показана временная диаграмма управления шиной данных процессора ARM7TDMI. Параметры этой временной диаграммы перечислены в таблице 7.5.

Рисунок 7.5. Временная диаграмма управления шиной данных
Прим.: цикл, представленный на рисунке 7.5, является циклом записи данных, т.к. nENOUT имеет низкий уровень в течение фазы 1. Здесь, для изменения поведения шины данных вначале используется DBE, а затем nENIN.
Таблица 7.5. Параметры временной диаграммы управления шиной данных
| Обозн. |
Параметр |
Тип параметра |
| Tdbe |
Время разрешения шины данных от DBEr |
Максимум |
| Tdbnen |
Время от DBE до действительности nENOUT |
Максимум |
| Tdbz |
Время отключения шины данных от DBEf |
Максимум |
| Tdoh |
Время удержания DOUT[31:0]от MCLKf |
Минимум |
| Tdout |
Время от MCLKf до действительности D[31:0] |
Максимум |
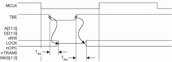
7. Временная диаграмма 3-стабильного вывода
На рисунке 7.6 представлена временная диаграмма тристабильного вывода процессора ARM7TDMI. Параметры этой временной диаграммы приведены в таблице 7.6.

Рисунок 7.6. Временная диаграмма 3-стабильного вывода
Таблица 7.6. Параметры временной диаграммы 3-стабильного вывода
| Обозн. |
Параметр |
Тип параметра |
| Ttbe |
Время разрешения шины адреса и данных от TBEr |
Максимум |
| Ttbz |
Время отключения шины адреса и данных от TBEf |
Максимум |
8. Временная диаграмма цикла однонаправленной записи данных
На рисунке 7.7 показана временная диаграмма однонаправленной записи данных процессора ARM7TDMI. Параметры временной диаграммы приведены в таблице 7.6.

Рисунок 7.7. Временная диаграмма цикла однонаправленной записи данных
Таблица 7.7. Параметры временной диаграммы цикла однонаправленной записи данных
| Обозн. |
Параметр |
Тип параметра |
| Tdohu |
Время удержания DOUT[31:0] от MCLKf |
Минимум |
| Tdoutu |
Время от MCLKf действительности DOUT[31:0] |
Максимум |
| Tnen |
Время от MCLKf действительности nENOUT |
Максимум |
9. Временная диаграмма цикла однонаправленного чтения данных
На рисунке 7.8 представлена временная диаграмма цикла однонаправленного чтения данных процессора ARM7TDMI. Параметры временной диаграммы приведены в таблице 7.7.

Рисунок 7.8. Временная диаграмма цикла однонаправленного чтения данных
Таблица 7.8. Параметры временной диаграммы однонаправленного чтения данных
| Обозн. |
Параметр |
Тип параметра |
| Tbylh |
Время удержания BL[3:0] от MCLKf |
Минимум |
| Tbyls |
Время установления BL[3:0] до MCLKr |
Минимум |
| Tdihu |
Время удержания DIN[31:0] от MCLKf |
Минимум |
| Tdisu |
Время установления DIN[31:0] до MCLKf |
Минимум |
| Tnen |
Время от MCLKf до действительности nENOUT |
Максимум |
10. Временная диаграмма конфигурационного вывода
На рисунке 7.9 представлена временная диаграмма конфигурационного вывода процессора ARM7TDMI. Параметры этой временной диаграммы приведены в таблице 7.9.

Рисунок 7.9. Временная диаграмма конфигурационного вывода
Таблица 7.9. Параметры временной диаграммы конфигурационного вывода
| Обозн. |
Параметр |
Тип параметра |
| Tcth |
Время удержания конфигурации |
Минимум |
| Tcts |
Время установления конфигурации |
Минимум |
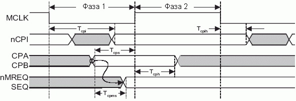
11. Временная диаграмма сопроцессора
На рисунке 7.10 представлена временная диаграмма процессора ARM7TDMI. Параметры временной диаграммы приведены в таблице 7.10.

Рисунок 7.10. Временная диаграмма сопроцессора
Прим.: на рисунке 7.10 nMREQ и SEQ, как правило, становятся действительными по истечении времени Tmsd после подающего фронта MCLK. В этом цикле ядро находится в состоянии ожидания занятости сопроцессора для завершения инструкции. Если CPA и CPB изменяются в течение фазы 1, то временная диаграмма nMREQ и SEQ зависит от Tcpms. Большинство систем могут генерировать CPA и CPB в течение предыдущей фазы 2, поэтому, временная диаграмма nMREQ и SEQ всегда зависит от Tmsd.
Таблица 7.10. Параметры временной диаграммы сопроцессора
| Обозн. |
Параметр |
Тип параметра |
| Tcph |
Время удержания CPA,CPB от MCLKr |
Минимум |
| Tcpi |
Время от MCLKf до действительности nCPI |
Максимум |
| Tcpih |
Время удержания nCPI от MCLKf |
Минимум |
| Tcpms |
Время от CPA, CPB до nMREQ, SEQ |
Максимум |
| Tcps |
Время установления CPA, CPB до MCLKr |
Минимум |
12. Временная диаграмма исключительной ситуации
На рисунке 7.11 показана временная диаграмма исключительной ситуации процессора ARM7TDMI. Параметры временной диаграммы приведены в таблице 7.11.

Рисунок 7.11. Временная диаграмма исключительной ситуации
Прим.: на рисунке 7.11 для распознавания асинхронного прерывания (ISYNC=0) или источника сброса необходимо следующим образом установить или удержать соответствующие сигналы:
- установить соответствующий сигнал в течение Tis или Trs перед соответствующим фронтом синхронизации
- удержать соответствующий сигнал в течение Tim или Tis после соответствующего фронта синхронизации
Данные входы могут быть приложены полностью асинхронно. В этом случае корректность цикла распознавания неважна.
Таблица 7.11. Параметры временной диаграммы исключительной ситуации
| Обозн. |
Параметр |
Тип параметра |
| Tabth |
Время удержания ABORT от MCLKf |
Минимум |
| Tabts |
Время установления ABORT до MCLKf |
Минимум |
| Tim |
Время гарантированного нераспознавания асинхронного прерывания, ISYNC=0 |
Максимум |
| Tis |
Время установления асинхронного прерывания до MCLKf для гарантированного распознавания, ISYNC=0 |
Минимум |
| Trm |
Время гарантированного нераспознавания сброса |
Максимум |
| Trs |
Время установления сброса до MCLKr для гарантированного распознавания |
Минимум |
13. Временная диаграмма синхронного прерывания
Рисунок 7.12 иллюстрирует временную диаграмму синхронного прерывания процессора ARM7TDMI. Параметры временной диаграммы приведены в таблице 7.12.

Рисунок 7.12. Временная диаграмма синхронного прерывания
Таблица 7.12. Параметры временной диаграммы синхронного прерывания
| Обозн. |
Параметр |
Тип параметра |
| Tsih |
Удержание синхронизированных nFIQ, nIRQ от MCLKf с ISYNC=1 |
Минимум |
| Tsis |
Установление синхронизированных nFIQ, nIRQ до MCLKf с ISYNC=1 |
Минимум |
14. Временная диаграмма отладки
На рисунке 7.13 показана временная диаграмма отладки процессора ARM7TDMI. Параметры этой временной диаграммы представлены в таблице 7.13.

Рисунок 7.13. Временная диаграмма отладки
Таблица 7.13. Параметры временной диаграммы отладки
| Обозн. |
Параметр |
Тип параметра |
| Tbrkh |
Время удержания BREAKPT от MCLKr |
Минимум |
| Tbrks |
Время установления BREAKPT до MCLKr |
Минимум |
| Tdbgd |
Время от MCLKr до действительности DBGACK |
Максимум |
| Tdbgh |
Время удержания DGBACK от MCLKr |
Минимум |
| Tdbgrq |
Время от DBGRQ до действительности DBGRQI |
Максимум |
| Texth |
Время удержания EXTERN[1:0] от MCLKf |
Минимум |
| Texts |
Время установления EXTERN[1:0] до MCLKf |
Минимум |
| Trg |
Время от MCLKf до действительности RANGEOUT0, RANGEOUT1 |
Максимум |
| Trgh |
Время удержания RANGEOUT0, RANGEOUT1от MCLKf |
Минимум |
| Trqh |
Время гарантированного нераспознавания DBGRQ |
Минимум |
| Trqs |
Время установления DBGRQ до MCLKr для гарантированного распознавания |
Минимум |
15. Временная диаграмма вывода отладочного коммуникационного канала
На рисунке 7.14 показана временная диаграмма вывода DCC процессора ARM7TDMI. Параметры временной диаграммы представлены в таблице 7.14.

Рисунок 7.14. Временная диаграмма вывода DCC
Таблица 7.14. Параметры временной диаграммы вывода DCC
| Обозн. |
Параметр |
Тип параметра |
| Tcommd |
Время от MCLKr до действительности COMMRX, COMMTX |
Максимум |
16. Временная диаграмма точек прерывания
На рисунке 7.15 представлена временная диаграмма точек прерывания процессора ARM7TDMI, а ее параметры приведены в таблице 7.15.

Рисунок 7.15. Временная диаграмма точек прерывания
Прим.: изменение BREAKPT на рисунке 7.15 в низкоуровневой фазе MCLK приводит к изменению nCPI, nEXEC, nMREQ и SEQ в этой же фазе.
Таблица 7.15. Параметры временной диаграммы точек прерывания
| Обозн. |
Параметр |
Тип параметра |
| Tbcems |
Задержка от BREAKPT до nCPI, nEXEC, nMREQ, SEQ |
Максимум |
17. Временная диаграмма тестовой синхронизации и внешней синхронизации
На рисунке 7.16 показана временная диаграмма тестовой синхронизации и внешней синхронизации процессора ARM7TDMI. Параметры этой временной диаграммы представлены в таблице 7.16.

Рисунок 7.16. Временная диаграмма TCK и ECLK
Прим.: на рисунке 7.16 Tctdel - максимальная задержка от одного из фронтов TCK до соответствующего фронта ECLK.
Таблица 7.16. Параметры временной диаграммы TCK и ECLK
| Обозн. |
Параметр |
Тип параметра |
| Tctdel |
Задержка от TCK до ECLK |
Максимум |
18. Временная диаграмма цикла памяти
На рисунке 7.17 показана временная диаграмма цикла памяти процессора ARM7TDMI. Параметры этой временной диаграммы приведены в таблице 7.17.

Рисунок 7.17. Временная диаграмма MCLK
Прим.: на рисунке 7.17 ядро не тактируется высокоуровневой фазой MCLK, когда nWAIT =0. В течение показанных циклов nMREQ и SEQ изменяются однократно в течение первой низкоуровневой фазы MCLK, а A[31:0] изменяются однократно в течение второй высокоуровневой фазы MCLK. Фаза 2 показана для справки. Данный сигнал является внутренним и от него тактируется вся внутренняя активность. Он показан для демонстрации того, как высокоуровневая фаза внешней MCLK отключается от внутренней синхронизации ядра.
Таблица 7.17. Параметры временной диаграммы MCLK
| Обозн. |
Параметр |
Тип параметра |
| Taddr |
Время от MCLKr до действительности адреса |
Максимум |
| Tmckh |
Длительность высокого уровня MCLK |
Минимум |
| Tmckl |
Длительность низкого уровня MCLK |
Минимум |
| Tmsd |
Время от MCLKf до действительности nMREQ и SEQ |
Максимум |
| Twh |
Время удержания nWAIT от MCLKf |
Минимум |
| Tws |
Время установления nWAIT до MCLKr |
Минимум |
19. Основная временная диаграмма граничного сканирования
На рисунке 7.18 показана основная временная диаграмма граничного сканирования процессора ARM7TDMI. Параметры этой временной диаграммы приведены в таблице 7.18.

Рисунок 7.18. Основная временная диаграмма граничного сканирования
Таблица 7.18. Параметры основной временной диаграммы граничного сканирования
| Обозн. |
Параметр |
Тип параметра |
| Tbsch |
Период высокого уровня TCK |
Минимум |
| Tbscl |
Период низкого уровня TCK |
Минимум |
| Tbsdd |
Время от TCK до действительности вывода данных |
Максимум |
| Tbsdh |
Время удержания вывода данных от TCK |
Минимум |
| Tbsih |
Время удержания TDI, TMS от TCKr |
Минимум |
| Tbsis |
Время установления TDI, TMS до TCKr |
Минимум |
| Tbsod |
Время от TCKf до действительности TDO |
Максимум |
| Tbsoh |
Время удержания TDO от TCKf |
Минимум |
| Tbssh |
Установление сигала ввода-вывода от TCKr |
Минимум |
| Tbsss |
Установление сигнала ввода-вывода до TCKr, |
Минимум |
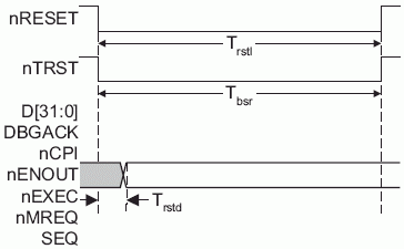
20. Временная диаграмма периода сброса
На рисунке 7.19 показана временная диаграмма периода сброса процессора ARM7TDMI. Параметры временной диаграммы сведены в таблицу 7.19.

Рисунок 7.19. Временная диаграмма периода сброса
Таблица 7.19. Параметры временной диаграммы периода сброса
| Обозн. |
Параметр |
Тип параметра |
| Tbsr |
Период сброса nTRST |
Минимум |
| Trstd |
Время от nRESETf до действительности D[31:0], DBGACK, nCPI, nENOUT, nEXEC, nMREQ, SEQ |
Максимум |
| Trstl |
Длительность низкого уровня nRESET для гарантированного сброса |
Минимум |
21. Времена разрешения и запрета вывода
На рисунке 7.20 показаны времена разрешения и запрета вывода применительно к инструкции HIGHZ TAP-контроллера.
На рисунке 7.21 показаны времена разрешения и запрета вывода при сканировании данных. Параметры временных диаграмм представлены в таблице 7.20.

Рисунок 7.20. Времена разрешения и запрета вывода для инструкции HIGHZ TAP-контроллера
Прим.: на рисунке 7.20 показаны параметры Tbse (время разрешения вывода) и Tbsz (время запрета вывода), когда инструкция HIGHZ TAP-контроллера загружена в регистр инструкции.

Рисунок 7.21. Времена разрешения и запрета вывода при сканировании данных
Прим.: на рисунке 7.21 показаны параметры Tbse (время разрешения вывода) и Tbsz (время запрета вывода) для случая сканирования данных в результате различий логических уровней в сканируемых ячейках для ABE и DBE.
Таблица 7.20. Параметры временной диаграммы разрешения и запрета вывода
| Обозн. |
Параметр |
Тип параметра |
| Tbse |
Время разрешения вывода |
Максимум |
| Tbsz |
Время запрета вывода |
Максимум |
22. Управление разрешением фиксации адреса
На рисунке 7.22 показана временная диаграмма управления разрешением фиксации адреса (ALE) процессора ARM7TDMI. Параметры временной диаграммы приведены в таблице 7.21.

Рисунок 7.22. Временная диаграмма управления ALE
Прим.: на рисунке 7.22 Tald - время в течение которого ALE должен иметь низкий уровень фиксации текущего адреса на фазе 2. Если ALE принимает низкий уровень по истечении Tald, то фиксируется новый адрес. Эта ситуация известна под названием разрыв адреса (address breakthrough).
Таблица 7.21. Параметры временной диаграммы управления ALE
| Обозн. |
Параметр |
Тип параметра |
| Tald |
Время фиксации выходов адресной группы |
Максимум |
| Tale |
Задержка открытия фиксируемых выходов адресной группы |
Максимум |
| Taleh |
Время удержания фиксируемых выходов адресной группы |
Минимум |
23. Временная диаграмма управления адресным конвейером
На рисунке 7.23 показана временная диаграмма управления APE (разрешение адресного конвейера) процессора ARM7TDMI. Параметры временной диаграммы приведены в таблице 7.22.

Рисунок 7.23. Временная диаграмма управления APE
Таблица 7.22. Параметры временной диаграммы управления APE
| Обозн. |
Параметр |
Тип параметра |
| Tape |
Время от MCLKf до действительности адресной группы |
Максимум |
| Tapeh |
Время удержания вывода адресной группы от MCLKf |
Минимум |
| Taph |
Время удержания APE от MCLKf |
Минимум |
| Taps |
Время установления APE до MCLKr |
Минимум |
24. Примечания к динамическим характеристикам
В таблице 7.23 приведен перечень параметров динамических характеристик в алфавитном порядке. Конкретные числовые значения параметров необходимо уточнить у производителя микроконтроллера, выполненного на основе рассматриваемого ядра. В таблице 7.23:
- символ " f" в конце наименования сигнала указывает на падающий фронт
- символ "r" в конце наименования сигнала указывает на нарастающий фронт
Таблица 7.23. Параметры временных диаграмм, используемых в данном разделе
| Обозн. |
Параметр |
Тип параметра |
Рисунок для справки |
| Tabe |
Address bus enable time |
Максимум |
Рисунок 7.2 |
| Tabth |
ABORThold time from MCLKf |
Минимум |
Рисунок 7.11 |
| Tabts |
ABORTset up time to MCLKf |
Минимум |
Рисунок 7.11 |
| Tabz |
Address bus disable time |
Максимум |
Рисунок 7.2 |
| Taddr |
Время от MCLKr до действительного адреса |
Максимум |
Рисунок 7.1 Рисунок 7.17 |
| Tah |
Время удержания данных от MCLKr |
Минимум |
Рисунок 7.1 |
| Tald |
Время фиксации выходов адресной группы |
Максимум |
Рисунок 7.22 |
| Tale |
Задержка открытия фиксируемых выходов адресной группы |
Максимум |
Рисунок 7.22 |
| Taleh |
Время удержания фиксируемых выходов адресной группы |
Минимум |
Рисунок 7.22 |
| Tape |
Время от MCLKf до действительности адресной группы |
Максимум |
Рисунок 7.23 |
| Tapeh |
Время удержания вывода адресной группы от MCLKf |
Минимум |
Рисунок 7.23 |
| Taph |
Время удержания APE от MCLKf |
Минимум |
Рисунок 7.23 |
| Taps |
Время установления APE до MCLKr |
Минимум |
Рисунок 7.23 |
| Tbcems |
Задержка от BREAKPT до nCPI, nEXEC, nMREQ, SEQ |
Максимум |
Рисунок 7.13 |
| Tbld |
Время от MCLKr до MAS[1:0] и LOCK |
Максимум |
Рисунок 7.1 |
| Tblh |
Время удержания MAS[1:0] и LOCK с момента MCLKr |
Минимум |
Рисунок 7.1 |
| Tbrkh |
Время удержания BREAKPT от MCLKr |
Минимум |
Рисунок 7.13 |
| Tbrks |
Время установления BREAKPT до MCLKr |
Минимум |
Рисунок 7.13 |
| Tbsch |
Период высокого уровня TCK |
Минимум |
Рисунок 7.18 |
| Tbscl |
Период низкого уровня TCK |
Минимум |
Рисунок 7.18 |
| Tbsdd |
Время от TCK до действительности вывода данных |
Максимум |
Рисунок 7.18 |
| Tbsdh |
Время удержания вывода данных от TCK |
Минимум |
Рисунок 7.18 |
| Tbse |
Время разрешения вывода |
Максимум |
Рисунок 7.20 Рисунок 7.21 |
| Tbsih |
Время удержания TDI, TMS от TCKr |
Минимум |
Рисунок 7.18 |
| Tbsis |
Время установления TDI, TMS до TCKr |
Минимум |
Рисунок 7.18 |
| Tbsod |
Время от TCKf до действительности TDO |
Максимум |
Рисунок 7.18 |
| Tbsoh |
Время удержания TDO от TCKf |
Минимум |
Рисунок 7.18 |
| Tbsr |
Период сброса nTRST |
Минимум |
Рисунок 7.19 |
| Tbssh |
Установление сигала ввода-вывода от TCKr |
Минимум |
Рисунок 7.18 |
| Tbsss |
Установление сигнала ввода-вывода до TCKr, |
Минимум |
Рисунок 7.18 |
| Tbsz |
Время запрета вывода |
Максимум |
Рисунок 7.20 Рисунок 7.21 |
| Tbylh |
Время удержания BL[3:0] от MCLKf |
Минимум |
Рисунок 7.4 Рисунок 7.8 |
| Tbyls |
Время установления BL[3:0] до MCLKr |
Минимум |
Рисунок 7.4 Рисунок 7.8 |
| Tcdel |
Задержка от MCLK до ECLK |
Максимум |
Рисунок 7.1 |
| Tclkbs |
Время от TCK до синхронизации граничного сканирования |
Максимум |
- |
| Tcommd |
Время от MCLKr до действительности COMMRX, COMMTX |
Максимум |
Рисунок 7.14 |
| Tcph |
Время удержания CPA,CPB от MCLKr |
Минимум |
Рисунок 7.10 |
| Tcpi</td>
| Время от MCLKf до действительности nCPI |
Максимум |
Рисунок 7.10 |
| Tcpih</td>
| Время удержания nCPI от MCLKf |
Минимум |
Рисунок 7.10 |
| Tcpms |
Время от CPA, CPB до nMREQ, SEQ |
Максимум |
Рисунок 7.10 |
| Tcps |
Время установления CPA, CPB до MCLKr |
Минимум |
Рисунок 7.10 |
| Tctdel |
Задержка от TCK до ECLK |
Максимум |
Рисунок 7.16 |
| Tcth |
Время удержания конфигурации |
Минимум |
Рисунок 7.9 |
| Tcts |
Время установления конфигурации |
Минимум |
Рисунок 7.9 |
| Tdbe |
Время разрешения шины данных от DBEr |
Максимум |
Рисунок 7.5 |
| Tdbgd |
Время от MCLKr до действительности DBGACK |
Максимум |
Рисунок 7.13 |
| Tdbgh |
Время удержания DGBACK от MCLKr |
Минимум |
Рисунок 7.13 |
| Tdbgrq |
Время от DBGRQ до действительности DBGRQI |
Максимум |
Рисунок 7.13 |
| Tdbnen |
Время от DBE до действительности nENOUT |
Максимум |
Рисунок 7.5 |
| Tdbz |
Время отключения шины данных от DBEf |
Максимум |
Рисунок 7.5 |
| Tdckf |
Время (ведомое DCLK) от TCKf до действительности различных выходов |
Максимум |
- |
| Tdckfh |
Время (ведомое DCLK) удержания различных выходов от TCKf |
Минимум |
- |
| Tdckr |
Время (ведомое DCLK) от TCKr до действительности различных выходов |
Максимум |
- |
| Tdckrh |
Время (ведомое DCLK) удержания различных выходов от TCKr |
Минимум |
- |
| Tdih |
Врем удержания DIN[31:0] от MCLKf |
Минимум |
Рисунок 7.4 |
| Tdihu |
Время удержания DIN[31:0] от MCLKf |
Минимум |
Рисунок 7.8 |
| Tdis |
Время установления DIN[31:0] до MCLKf |
Минимум |
Рисунок 7.4 |
| Tdisu |
Время установления DIN[31:0] до MCLKf |
Минимум |
Рисунок 7.8 |
| Tdoh |
Время удержания DOUT[31:0] от MCLKf |
Минимум |
Рисунок 7.3 Рисунок 7.5 |
| Tdohu |
Время удержания DOUT[31:0] от MCLKf |
Минимум |
Рисунок 7.7 |
| Tdout |
Время от MCLKf до действительности D[31:0] |
Максимум |
Рисунок 7.3 Рисунок 7.5 |
| Tdoutu |
Время от MCLKf действительности DOUT[31:0] |
Максимум |
Рисунок 7.7 |
| Tecapd |
Время от TCK до изменения ECAPCLK |
Максимум |
- |
| Texd |
Время от MCLKf до действительности nEXEC |
Максимум |
Рисунок 7.1 |
| Texh |
Время удержания nEXEC от MCLKf |
Минимум |
Рисунок 7.1 |
| Texth |
Время удержания EXTERN[1:0] от MCLKf |
Минимум |
Рисунок 7.13 |
| Texts |
Время установления EXTERN[1:0] до MCLKf |
Минимум |
Рисунок 7.13 |
| Tim |
Время гарантированного нераспознавания асинхронного прерывания, ISYNC=0 |
Максимум |
Рисунок 7.11 |
| Tis |
Время установления асинхронного прерывания до MCLKf для гарантированного распознавания, ISYNC=0 |
Минимум |
Рисунок 7.11 |
| Tmckh |
Длительность высокого уровня MCLK |
Минимум |
Рисунок 7.17 |
| Tmckl |
Длительность низкого уровня MCLK |
Минимум |
Рисунок 7.17 |
| Tmdd |
Время от MCLKr до действительности nTRANS, nM[4:0] и TBIT |
Максимум |
Рисунок 7.1 |
| Tmdh |
Время удержания nTRANS и nM[4:0] от MCLKr |
Минимум |
Рисунок 7.1 |
| Tmsd |
Время от MCLKf до действительности nMREQ и SEQ |
Максимум |
Рисунок 7.1 Рисунок 7.17 |
| Tmsh |
Время удержания nMREQ и SEQ от MCLKf |
Минимум |
Рисунок 7.1 |
| Tnen |
Время от MCLKf до действительности nENOUT |
Максимум |
Рисунок 7.3 Рисунок 7.4 Рисунок 7.7 Рисунок 7.8 |
| Tnenh |
Время удержания nENOUT от MCLKf |
Минимум |
Рисунок 7.3 |
| Topcd |
Время от MCLKr до действительности nOPC |
Максимум |
Рисунок 7.1 |
| Topch |
Время удержания nOPC от MCLKr |
Минимум |
Рисунок 7.1 |
| Trg |
Время от MCLKf до действительности RANGEOUT0, RANGEOUT1 |
Максимум |
Рисунок 7.13 |
| Trgh |
Время удержания RANGEOUT0, RANGEOUT1от MCLKf |
Минимум |
Рисунок 7.13 |
| Trm |
Время гарантированного нераспознавания сброса |
Максимум |
Рисунок 7.11 |
| Trqh |
Время гарантированного нераспознавания DBGRQ |
Минимум |
Рисунок 7.13 |
| Trqs |
Время установления DBGRQ до MCLKr для гарантированного распознавания |
Минимум |
Рисунок 7.13 |
| Trs |
Время установления сброса до MCLKr для гарантированного распознавания |
Минимум |
Рисунок 7.11 |
| Trstd |
Время от nRESETf до действительности D[31:0], DBGACK, nCPI, nENOUT, nEXEC, nMREQ, SEQ |
Максимум |
Рисунок 7.19 |
| Trstl |
Длительность низкого уровня nRESET для гарантированного сброса |
Минимум |
Рисунок 7.19 |
| Trwd |
Время от MCLKr до действительности nRW |
Максимум |
Рисунок 7.1 |
| Trwh |
Время удержания nRW от MCLKr |
Минимум |
Рисунок 7.1 |
| Tsdtd |
Время от SDOUTBS до действительности TDO |
Максимум |
- |
| Tshbsf |
Время от TCK до спада SHCLKBS, SHCLK2BS |
Максимум |
- |
| Tshbsr |
Время от TCK до нарастания SHCLKBS, SHCLK2BS |
Максимум |
- |
| Tsih |
Удержание синхронизированных nFIQ, nIRQ от MCLKf с ISYNC=1 |
Минимум |
Рисунок 7.12 |
| Tsis</td>
| Установление синхронизированных nFIQ, nIRQ до MCLKf с ISYNC=1 |
Минимум |
Рисунок 7.12 |
| Ttbe |
Время разрешения шины адреса и данных от TBEr |
Максимум |
Рисунок 7.6 |
| Ttbz</td>
| Время отключения шины адреса и данных от TBEf |
Максимум |
Рисунок 7.6 |
| Ttckf |
Время от TCK до спада TCK1, TCK2 |
Максимум |
- |
| Ttckr |
Время от TCK до нарастания TCK1, TCK2 |
Максимум |
- |
| Ttdbgd |
Время от TCK до имзенения DBGACK, DBGRQI |
Максимум |
- |
| Ttpfd |
Время от TCKf до вывода TAP |
Максимум |
- |
| Ttpfh |
Время удержания выходов TAP от TCKf |
Минимум |
- |
| Ttprd |
Время от TCKr до вывода TAP |
Максимум |
- |
| Ttprh |
Время удержания выходов TAP от TCKr |
Минимум |
- |
| Ttrstd |
Время от nTRSTf до каждого действительного вывода |
Максимум |
- |
| Ttrsts |
Время установления nTRSTr до TCKr |
Максимум |
- |
| Twh |
Время удержания nWAIT от MCLKf |
Минимум |
Рисунок 7.17 |
| Tws |
Время установления nWAIT до MCLKr |
Минимум |
Рисунок 7.17 |
25. Статические характеристики
Обратитесь к производителю микроконтроллера за следующей информацией:
- рабочие условия;
- предельно-допустимые параметры.