Поиск по сайту:

 


По базе:  

микроэлектроника, микросхема, микроконтроллер, память, msp430, MSP430, Atmel, Maxim, LCD, hd44780, t6963, sed1335, SED1335, mega128, avr, mega128  
  Главная страница > Компоненты > Nationel Sem. > АЦП




ADC08D1000QML

Сдвоенный высококачественный, маломощный АЦП частотой преобразования 1 ГГц

Особенности:

  • Доступность исполнения, стойкого к радиации
  • Встроенная схема выборки-хранения
  • Работа от одного источника напряжением +1.9В ±0.1В
  • Выбор выходной синхронизации SDR или DDR
  • Режим чередования работы каналов для удвоения частоты преобразования
  • Возможность синхронизации работы нескольких АЦП
  • Гарантированное отсутствие пропущенных кодов
  • Последовательный интерфейс для расширенного управления
  • Плавная регулировка входного диапазона и смещения
  • Сигнал синхронизации преобразования скорректирован по скважности

Основные характеристики:

  • Разрешающая способность: 8 бит
  • Максимальная частота преобразования 1 ГГц (не менее)
  • Частота появления ошибочных битов 10-18 (тип.)
  • Эффективное число разрядов (входная частота 498 МГц): 7.4 (тип.)
  • Дифференциальная нелинейность: ±0.15 м.з.р. (тип.)
  • Потребляемая мощность:
    • рабочая: 1.6 Вт (тип.)
    • в экономичном режиме: 3.5 мВт (тип.)
  • Общая доза ионизирующего излучения: 300 крад (Si)

Области применения:

  • Коммуникационные системы
  • Непосредственное понижающее преобразование радиочастотных сигналов

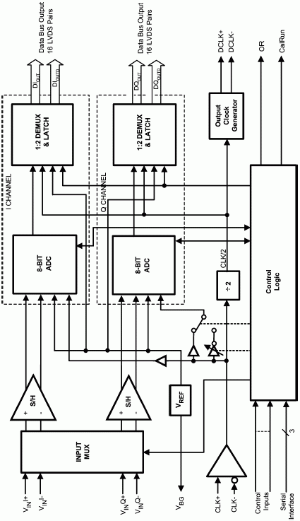
Структурная схема ADC08D1000:

Структурная схема ADC08D1000

Расположение выводов ADC08D1000:

Расположение выводов ADC08D1000

Общее описание:

ADC08D1000 - сдвоенный маломощный, высококачественный КМОП АЦП, предназначенный для оцифровки сигналов с разрешающей способностью 8 бит и с частотой преобразования 1.2 ГГц. Потребляя от источника мощность 1.6Вт (типичное значение при питании напряжением 1.9В и частоте преобразования 1.6 Вт), АЦП гарантирует отсутствие пропущенных кодов во всем рабочем температурном диапазоне. Уникальная архитектура свертки и интерполяции, полностью дифференциальная схемотехника компаратора, оригинальная схемотехника усилителя выборки-хранения и схема самокалибровки позволяют достичь высокой равномерности всех динамических характеристик за пределами зоны Найквиста, достигая высокого значения эффективного количества разрядов 7.4 при частоте входного сигнала 498 МГц и частоты преобразования 1 ГГц при частоте появления ошибочных бит 10-18. Выходные данные представляются в двоичном формате со смещением и присутствуют на LVDS-выходах, которые совместимы со стандартом IEEE 1596.3-1996 и поддерживают возможность регулировки синфазного сигнала в пределах 0.8…1.13 В.

Каждый преобразователь содержит демультиплексор 1:2, который управляет двумя LVDS-шинами и позволяет снизить вдвое скорость передачи данных по каждой шине относительно частоты преобразования. Поддерживается возможность чередования работы каналов для использования ИС в качестве одноканального АЦП с частотой преобразования 2 ГГц.

При переводе в экономичный режим работы преобразователь потребляет мощность менее 3.5 мВт. АЦП доступен в 128-выводном многослойном корпусе с четырехсторонним расположением выводов и улучшенным теплорассеиванием. ИС рассчитана на работу в военном температурном диапазоне (-55°C меньше или равно Tокр. меньше или равно +125°C).

АЦП может работать в условиях радиационного излучения.

Информация для заказа:

Серийный номер NS Серийный номер SMD Код корпуса NS Описание корпуса
ADC08D1000WG-Q 5962-0520601QZC EM128A 128-выв. CERQUAD GULLWING
ADC08D1000WG-QV 5962-0520601VZC EM128A 128-выв. CERQUAD GULLWING
ADC08D1000WGFQV 5962F0520601VZC 300 krad (Si) EM128A 128-выв. CERQUAD GULLWING

Документация:

  1270 kB Engl Полное описание микросхемы ADC08D1000QML
    Получить консультации и преобрести компоненты вы сможете у официальных поставщиков фирмы National Products from TI,

поставщики электронных компонентов






 
Впервые? | Реклама на сайте | О проекте | Карта портала
тел. редакции: +7 (995) 900 6254. e-mail:info@eust.ru
©1998-2023 Рынок Микроэлектроники