Отличительные особенности:
Описание выводов:
| CS | Выбор микросхемы |
| Vcc | + Ист. питания |
| VBAT | Подключение батареи |
| GND | Общий |
| SCLK | Вход синхронизации последовательной связи |
| I/O | Ввод/вывод данных |
| Vссо | Выход питания внешнего ОЗУ |
| INT | Выход запроса на прерывание |
| CEI | вход разрешения выбора внешнего ОЗУ |
| BHE | вход разрешения старшего байта |
| CEO | выход выбора ОЗУ |
| SI | стробирующий вход охранного таймера |
| RST | сброс микропроцессора |
| AIN0, AIN1 | аналоговые входы |
| X1, X2 | подключение кварцевого резонатора 32.768 кГц |
| PFI | вход повреждения питания |
| PFO | выход повреждения питания |
| AVD, AVS | питание и общий АЦП |
| VREF | источник опорного напряжения |
| X+, X | управление резистивной пластиной, задающей Х координату |
| Y+, Y | управление резистивной пластиной, задающей Y координату |
| CONVERT | запуск преобразования АЦП |
| ANSELIN | выбор аналогового входа |
| PEN_SELECT | выбор источника данных (сенсорный экран или АЦП) |
| OUT_SELECT | выбор канала источника данных |
| COEN | чтение данных |
| D0-D7 | шина данных |
| AVG | выбор режима усреднения данных |
| NEW_DATA | индикатор обновления данных |
| OSCIN | вход синхронизации АЦП |
| PEN_OFF | выход, сигнализирующий о прикосновении указателя к экрану |
| PD_RESET | вход выбора режима пониженного потребления |
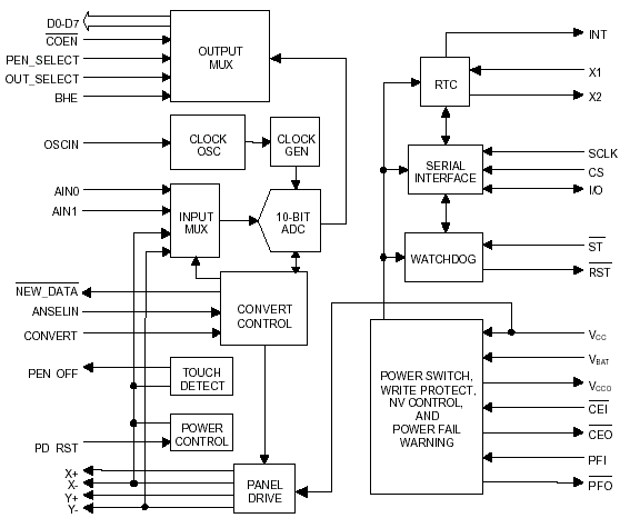
Структурная схема DS1680:

Расположение выводов DS1680:

Общее описание:
DS1680 – это микросхема, которая объединяет многие функции необходимые для создания экономичных устройств: часы реального времени, контроллер энергонезависимого ОЗУ, управление микропроцессором, сигнализация о повреждении источника питания, 10-ти битный АЦП и контроллер сенсорного экрана. Часы реального времени обеспечивают счет в секундах, минутах, часах, днях недели и месяца, месяцах, годах и учитывают высокосность года. Часы также формируют сигнал заброса на прерывание при срабатывании будильника. Данная функция выполняется, когда присутствует основное питание, и когда резервное, что может использоваться как сигнал подачи питания системы при срабатывании будильника. Автоматическое подключение резервного источника питания и защита от записи внешнего ОЗУ обеспечивается через выводы Vссо и CEO. Резервный источник питания, используемый для питания часов также обеспечивает сохранность данных во внешнем ОЗУ при отсутствии питания на Vсс через вывод Vссо. Выход выбора внешнего ОЗУ (CEO) управляется в переходных режимах питания и предотвращают потерю данных. Схема управления микропроцессором обеспечивает три основные функции. Первая функция обеспечивается прецизионным термокомпенсированным источником опорного напряжения и схемой его сравнения с уровнем Vcc.Когда уровень питания выходит за недопустимые пределы генерируется внутренний сигнал, который переводит выход RST в активное состояние, останавливая микропроцессор. Когда Vсс возвращается в допустимые пределы RST сигнал остается активным еще 250 мс, чтобы обеспечить стабилизацию уровня питания и перезапускает процессор. Вторая функция управления микропроцессором – контроль нажатия кнопки сброса. DS1680 определяет нажатие кнопки и обеспечивает длительность импульса сброса 250мс. Третья функция – охранный таймер. DS1680 имеет внутренний таймер, который может переводит выход сброса в активное состояние, если период прихода стробирующих импульсов на вход ST больше чем период переполнения таймера. DS1680 также обеспечивает функцию контроллера сенсорного экрана совместно с 10-битным АЦП последовательного приближения АЦП имеет встроенный фильтр, чтобы уменьшить влияние высокочастотных помех.
Документация:
| 335 Kb Engl Описание микросхемы DS1680 |
|
Поиск по сайту: |
|
По базе: |
![]() |
| Главная страница > Компоненты > Maxim > Часы реального времени > Последовательные | |||||||||
|
|
||||||
Главная - Микросхемы - DOC - ЖКИ - Источники питания - Электромеханика - Интерфейсы - Программы - Применения - Статьи |
||||||