Отличительные особенности:
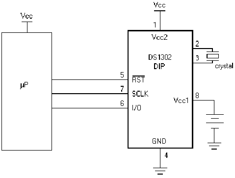
Описание выводов:
| X1, X2 | подключение кварцевого резонатора 32.768 кГц |
| GND | общий |
| RST | сброс |
| I/O | ввод - вывод данных |
| SCLK | синхронизация последовательной связи |
| VCC1, VCC2 | выводы питания |
Структурная схема DS1302:

Расположение выводов DS1302:

Общее описание:
Микросхема DS1302 содержит часы реального времени с календарем и 31 байт статического ОЗУ. Она общается с микропроцессором через простой последовательный интерфейс. Информация о реальном времени и календаре представляется в секундах минутах, часах, дне, дате, месяце и годе. Если текущий месяц содержит менее 31 дня, то микросхема автоматически определит количество дней в месяце с учетом высокосности текущего года. Часы работают или в 24-часовом или 12-часовом формате с индикатором AM/PM (до полудня/ после полудня). Подключение DS1302 к микропроцессу упрощено за счет синхронной последовательной связи. Для этого требуется только 3 провода: (1) RST (сброс), (2) I/O (линия данных) и (3) SCLK (синхронизация последовательной связи). Данные могут передаваться по одному байту или последовательностью байтов до 31. DS1302 разработан, чтобы потреблять малую мощность и сохранять данные и информацию часов при потреблении менее 1 мкВт. DS1302 - преемник DS1202. В дополнение к основным функциям хранения времени DS1202, DS1302 имеет два вывода питания для подключения основного и резервного источника питания, возможность подключения программируемой цепи заряда к выводу VCC1 и семь дополнительных байтов ОЗУ.
Документация:
| 212 Kb Engl Описание микросхемы DS1302 |
|
Поиск по сайту: |
|
По базе: |
![]() |
| Главная страница > Компоненты > Maxim > Часы реального времени > Последовательные | |||||||||
|
|
||||||
Главная - Микросхемы - DOC - ЖКИ - Источники питания - Электромеханика - Интерфейсы - Программы - Применения - Статьи |
||||||