Поиск по сайту:

 


По базе:  

микроэлектроника, микросхема, микроконтроллер, память, msp430, MSP430, Atmel, Maxim, LCD, hd44780, t6963, sed1335, SED1335, mega128, avr, mega128  
  Главная страница > Компоненты > Maxim > Часы реального времени > Параллельные




DS17485, DS17487

Часы реального времени с питанием 3 или 5 В

Отличительные особенности:

  • Выполняет функции стандартных промышленных часов DS1287 для персональных компьютеров плюс дополнительные функции:
  • Работает от +3В или +5В
  • Стек восстановления обращений системы (SMI)
  • Электронный 64–битный серийный номер
  • Схема управления питанием, позволяющая подать питание на систему при срабатывании встроенного будильника или нажатии на клавишу
  • При подаче питания сразу генерирует импульсы частотой 32 кГц
  • Бит выбора типа кварцевого резонатора: емкость нагрузки 6 пФ или 12.5 пФ
  • 114 байт энергонезависимого ОЗУ пользователя
  • Вход подключения дополнительной батареи
  • Дополнительное энергонезависимое ОЗУ емкостью 4 кБ
  • Вход очистки ОЗУ
  • Регистр столетия
  • Регистр настройки будильника на дату срабатывания
  • Функциональная совместимость с DS1287 для построения базовой системы ввода-вывода (BIOS) ПК
  • Возможность заказа как микросхемы (DS17485) или как модуля со встроенными батареей и кварцевым резонатором (DS17487)

Описание выводов:

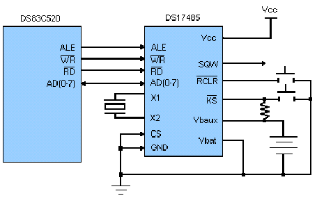
X1 Вход от кварцевого резонатора
X2 Выход к кварцевому резонатору
RCLR Вход очистки ОЗУ
AD0-AD7 Мультиплексированная шина данных/адреса
PWR Выход прерывания на подачу питания (открытый сток)
KS Вход подключения кнопки быстрого старта
CS Выбор микросхемы часов реального времени
ALE Адресный стробирующий импульс часов реального времени
WR Запись (для часов)
RD Чтение (для часов)
IRQ Выход запроса на прерывание (открытый сток)
SQW Выход генератора прямоугольных импульсов
V CC +3В или +5В основное питание
GND <Общий/td>
V BAT Подключения + батареи питания
V BAUX Дополнительная батарея
NC Не используется

Структурная схема DS17485/DS17487:

Расположение выводов DS17485/DS17487:

Общее описание:

DS17485/DS17487 – часы реального времени (ЧРВ), являющиеся модернизацией промышленных ЧРВ DS1285, DS1385, DS1485, DS1585 и DS1685 для ПК. Это устройство выполнение функций ЧРВ DS1285 при питании от +3.0В или от +5.0В. DS17485 также выполняет несколько новых функций: электронный серийный номер, схема управления подачей питания, 114 байт энергонезависимого статического ОЗУ пользователя + 4 кБ дополнительного энергонезависимого ОЗУ и выход 32.768 кГц для поддержания работы схемы управления питанием.

Схема управления питанием DS17485/DS17487 обеспечивает подачу питания на систему по внешнему событию: нажатие клавиатуры и срабатывании будильника («пробуждение» системы). Выход PWR взводится при возникновении одного из этих событий и может использоваться для возращения на внешнее питание. Вывод PWR находится под управлением программного обеспечения, так чтобы при завершении задачи питание было отключено.

DS17485 – часы-календарь с особенностями, описанными выше. Внешние кварцевый резонатор и батарея – единственные компоненты для обеспечения энергонезависимой работы часов и ОЗУ. DS17487 включает в себя микросхему DS17485 , а также кварцевый резонатор 32.768 кГц и литиевую батарею. Данный модуль тестируется при производстве и минимум 10 лет работы без основного питания гарантируется.

Документация:

  428 Kb Engl Описание микросхемы DS17485/DS17487





 
Впервые? | Реклама на сайте | О проекте | Карта портала
тел. редакции: +7 (995) 900 6254. e-mail:info@eust.ru
©1998-2023 Рынок Микроэлектроники