Поиск по сайту:

 


По базе:  

микроэлектроника, микросхема, микроконтроллер, память, msp430, MSP430, Atmel, Maxim, LCD, hd44780, t6963, sed1335, SED1335, mega128, avr, mega128  
  Главная страница > Компоненты > Maxim > Часы реального времени > Параллельные




DS1689, DS1693

3 В/ 5 В часы реального времени с серийным номером и управлением энергонезависимым ОЗУ

Отличительные особенности:

  • Включает в себя стандартные часы DS1287 PC плюс дополнительные функции:
  • +3 В или +5 В питание
  • Прошитый на кристалле 64-х битный серийный номер
  • 64 бита ПЗУ, доступных пользователю, или дополнительный серийный номер
  • Схема управления питанием выполняет функцию включения питания по сигналу будильника, настроенного на дату и время или на нажатие кнопки
  • Автоматическое подключение резервной батареи и защита от записи во внешнее ОЗУ
  • Бит выбора кварцевого резонатора обеспечивает часам возможность работать с резонатором емкостью 6 пФ или 12.5 пФ.
  • 114 байт энергонезависимого ОЗУ
  • Вспомогательный вход батареи
  • Вход очистки ОЗУ
  • Регистр столетия
  • 32 кГц выход для управления питанием
  • 32–битный счетчик интервалов времени, питаемый от VCC(счетчик машинного времени)
  • 32–битный счетчик интервалов времени, питаемый от VBAT
  • 16–битный счетчик циклов изменения питания
  • Совмещение с существующим BIOS для сохранения функций DS1287
  • Выпускается как микросхема (DS1689) или как автономный модуль со встроенными батареей и кварцевым резонатором (DS1693)
  • Выпускается промышленном температурном диапазоне
  • Алгоритм счета времени учитывает высокосность года до 2100 г

Описание выводов:

X1 Вход кварцевого резонатора
X2 Выход кварцевого резонатора
RCLR Вход очистки ОЗУ
AD0-AD7 мультиплексированная шина адреса/данных
PWR Выход прерывания на подачу питания
KS Вход быстрого старта
CS Вход выбора микросхемы
ALE Строб адреса
WR Запись
RD Чтение
VCCO Выход питания ОЗУ
IRQ выход запроса на прерывание
SQW выход генератора прямоугольных импульсов
V CCI +3 В или +5 В основное питание
GND Общий
V BAT Батарея + питание
V BAUX вход подключения дополнительной батареи
PSEL выбор режима питания (+ 3 В или +5 В)
CEI Вход выбора ОЗУ
CEO Выход выбор ОЗУ

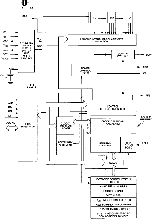
Структурная схема DS1689/DS1693:

Расположение выводов DS1689/DS1693:

Расположение выводов DS1689/DS1693

Общее описание:

DS1689/DS1693 – часы реального времени, разработанные как преемник стандартных часов для ПЭВМ DS1285, DS1385, DS1485 и DS1585 . Это устройство обеспечивает выполнение функций часов DS1285 с новыми функциями: питание +3В или +5В и автоматический ввод резервного источника и защита от записи внешнего статического ОЗУ. DS1689 также включает в себя серийный номер, схему управления включением/выключением питания, 114 байт энергонезависимого статического ОЗУ, счетчик машинного времени и счетчик циклов изменения питания.

Каждый DS1689/DS1693 индивидуально производится с неповторяющимся 64- битным серийным номером и 64 битами ПЗУ или дополнительным серийным номером. Серийный номер программируется и тестируется на заводе фирмы Dallas, чтобы избежать одинаковых номеров у различных микросхем. Свободные серийные номера могут быть зарезервированы клиентом.

Часы реального времени позволяют управлять питанием по внешнему запросу (от клавиатуры) или по сигналу будильника, настроенного на дату и время. Вывод PWR реагирует на любое из этих событий и может использоваться для восстановления внешнего питания. Вывод PWR управляется программным обеспечением так, чтобы по окончании выполнения задачи питание снималось.

DS1689/DS1693 включает в себя счетчик длительности присутствия основного питания, счетчик циклов подачи питания и непрерывный счетчик, питаемый от батареи. Эти три счетчика обеспечивают формирование важной информации для обслуживания системы и выполнения гарантийных обязательств.

Автоматический ввод резервного источника питания и защита от записи во внешнее ОЗУ обеспечивается через выводы VCCO и CEO. Литиевый источник энергии используется для питания часов реального времени и сохранения информации во внешнем ОЗУ через вывод VCCO, когда отсутствует VCC. Выход разрешения доступа ко внешнему ОЗУ (CEO) контролируется во время переходных процессов питания для защиты данных.

DS1689 - часы/календарь реального времени со свойствами описанными выше. Внешний кварцевый резонатор и батарея – единственные компоненты, требующиеся для работы часов и хранения данных в отсутствии основного питания. DS1693 включает в себя DS1689, 32.768 кГц кварцевый резонатор и литиевую батарею в завершенном отдельном модуле. Данный модуль полностью проверен фирмой Dallas Semiconductor и минимальная гарантия на энергонезависимые функции составляет не менее 10 лет.

Документация:

  322 Kb Engl Описание микросхемы DS1689/DS1693





 
Впервые? | Реклама на сайте | О проекте | Карта портала
тел. редакции: +7 (995) 900 6254. e-mail:info@eust.ru
©1998-2023 Рынок Микроэлектроники