Поиск по сайту:

 


По базе:  

микроэлектроника, микросхема, микроконтроллер, память, msp430, MSP430, Atmel, Maxim, LCD, hd44780, t6963, sed1335, SED1335, mega128, avr, mega128  
  Главная страница > Компоненты > Maxim > Часы реального времени > Параллельные




DS14285, DS14287

Часы реального времени с управлением энергонезависимым ОЗУ

Отличительные особенности:

  • Может применяться в качестве часов-календаря для IBM AT компьютеров
  • Функциональная совместимость с DS1285/DS1287
  • Выпускается как микросхема (DS14285, DS14285S, DS14285Q) или как автономный модуль со встроенными литиевой батареей и кварцевым резонатором (DS14287)
  • Выполняет функции автоматического ввода резервного питания и защиты от записи для обеспечения энергонезависимости внешнего статического ОЗУ
  • Выполняет счет времени в секундах, минутах, часах, днях, днях недели, дате, месяце и годе с учетом високосности года до 2100 г.
  • Представление информации в двоичном или двоично-десятичном коде с 12-ти или 24-х часовом режимами счета времени и индикация АМ (до полудня)/ РМ (после полудня) в 12 –ти часовом режиме
  • Возможность автоматического перехода на летнее/зимнее время
  • Мультиплексированная шина для сокращения выводов
  • Стыковка с программным обеспечением как с ОЗУ емкостью 128 байт
        14 байт занимают регистры часов и управления
        114 байт ОЗУ общего пользования
  • Программируемый •генератор прямоугольных импульсов
  • Сигнал прерывания (IRQ), совместимый с шиной
  • Три прерывания могут быть настроены и протестированы
        - Срабатывание будильника, с программируемым временем срабатывания от секунд до дня
        – Переполнение счетчика с программируемым периодом : от 122мкс до 500 мс
        – Окончание цикла обновления часов
  • Возможность поставки DS14285 в промышленном диапазоне температур в корпусах DIP, SOIC и PLCC

Описание выводов:

AD0–AD7 Мультиплексированная шина данных/адреса
NC Не используется
MOT Выбор типа шины (только для DS14285Q)
CS Выбор микросхемы
AS Адресный стробирующий импульс
R/W Вход чтение/запись
DS Стробирующий импульс данных
RESET Вход сброса
IRQ Выход запроса на прерывание
SQW Выход генератора прямоугольных импульсов
V CC +5 В питание
GND Общий
VCCO Выход питания внешнего ОЗУ
CEI Вход сигнала выбора ОЗУ
CEO Выход сигнала выбора ОЗУ
X1, X2 Подключение кварцевого резонатора 32.768 кГц
VBAT +3 В батарея резервного питания

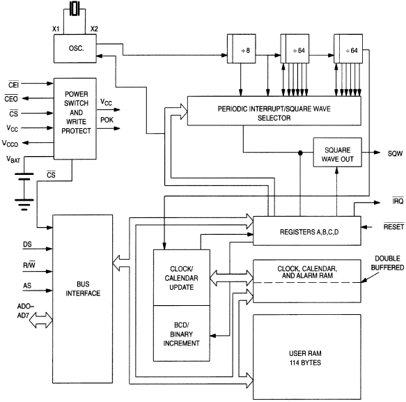
Структурная схема DS14285/DS14287:

Расположение выводов DS14285/DS14287:

Общее описание:

DS14285/DS14287 – часы реального времени, которые выполняют функции стандартных промышленных часов DS1287 и дополнены функциями обеспечения энергонезависимости внешнего ОЗУ. К функциям часов также относятся энергонезависимые часы-календарь, будильник, календарь столетий, программируемое прерывание, генератор прямоугольных импульсов и 114 байт энергонезависимого статического ОЗУ. Для DS14287 литиевый источник энергии, кварцевый резонатор и схема защита от записи находятся непосредственно в 24-выводном DIP корпусе. DS14285 требует внешнего подключения кварцевого резонатора к выводам X1 и X2, и резервной батареи к выводу VBAT.

Стандартный кварцевый резонатор 32.768 кГц должен быть подсоединен к DS14285 через выводы 1 и 2 (X1, X2). Выбираемый тип кварцевого резонатора должен обладать емкостью нагрузки 6 пФ. Более подробная информация о выборе кварцевого резонатора и его подключении на печатной плате приведена в руководстве по использованию Application Note 58 “Crystal Considerations with Dallas Real Time Cl°Cks” (Рекомендации по выбору кварцевого резонатора для часов реального времени фирмы Dallas Semiconductors).

DS14285/DS14287 использует источник резервного питания и схему его автоматического ввода, чтобы обеспечить сохранность информации в ОЗУ при нарушении основного питания. При нарушении питания DS14285/DS14287 автоматически защищает от записи внешнее ОЗУ и подключает вывод VCC к внешней батареи.

Для DS14287 внутренняя литиевая батарейка при производстве электрически отключается от часов. Эта изоляция автоматически устраняется после первой подачи напряжения на вывод VCC, обеспечивая в дальнейшем работу часов, внешнего ОЗУ, поддержание уровней VCCO и CEO при выключенном питании. Должны быть приняты меры предосторожности, т.к. после снятия изоляции батарея может быть разряжена через выводы VCCO и CEO.

Документация:

  303 Kb Engl Описание микросхемы DS14285/DS14287





 
Впервые? | Реклама на сайте | О проекте | Карта портала
тел. редакции: +7 (995) 900 6254. e-mail:info@eust.ru
©1998-2023 Рынок Микроэлектроники