Поиск по сайту:

 


По базе:  

микроэлектроника, микросхема, микроконтроллер, память, msp430, MSP430, Atmel, Maxim, LCD, hd44780, t6963, sed1335, SED1335, mega128, avr, mega128  
  Главная страница > Компоненты > Maxim > Интерфейсы > USB




MAX3420E

периферийный USB контроллер с SPI интерфейсом

Отличительные особенности:

  • USB решение, не зависимое от микроконтроллера
  • Отвечает требованиям USB 2.0 (полноскоростной режим)
  • Интегрированный полноскоростной USB приемопередатчик
  • Аппаратный и программный контроль подтягивающего резистора на линии D+
  • Программируемый 3- или 4- проводный 26 МГц SPI интерфейс
  • Преобразователь уровней и вход VL, дающий системному интерфейсу независимость
  • Встроенный компаратор, позволяющий в устройствах с автономным питанием обнаруживать VBUS
  • Защита линий D +, D- и VBCOMP от ЭСП
  • Выход сигнала прерывания (потенциальный или с программируемым фронтом) позволяет реализовать опрашиваемый или управляемый по прерываниям SPI интерфейс
  • Интеллектуальный USB автомат последовательного интерфейса (SIE)
    - Автоматическое манипулирование USB потоками и двойная буферизация
    - Поддержка USB протокола на низком уровне
    - Содержит таймеры для отслеживания временных интервалов USB интерфейса
    - Мастеру SPI не нужно отслеживать временные интервалы
  • Встроенные FIFO буферы оконечных точек:
    - EP0: Управление (64 байта)
    - EP1: Выход, блок или прерывание, 2 x 64 байта (с двойной буферизацией)
    - EP2: Вход, блок или прерывание, 2 x 64 байта (с двойной буферизацией)
    - EP3: Вход, блок или прерывание (64 байта)
  • Двойная буферизация оконечных точек увеличивает пропускную способность SPI шины
  • Данные установки хранятся в отдельном 8 байтовом FIFO буфере, что упрощает разработку управляющей программы
  • Четыре входа и четыре выхода общего назначения
  • Миниатюрные TQFP и TQFN корпуса

Применение:

  • Фотокамеры
  • Сотовые телефоны
  • Заказная ИС с USB интерфейсом
  • Настольные маршрутизаторы
  • Контрольно-измерительная аппаратура
  • Микропроцессоры и DSP
  • MP3 плееры
  • Периферийные устройства для ПК
  • PDA
  • PLC
  • Абонентские установки

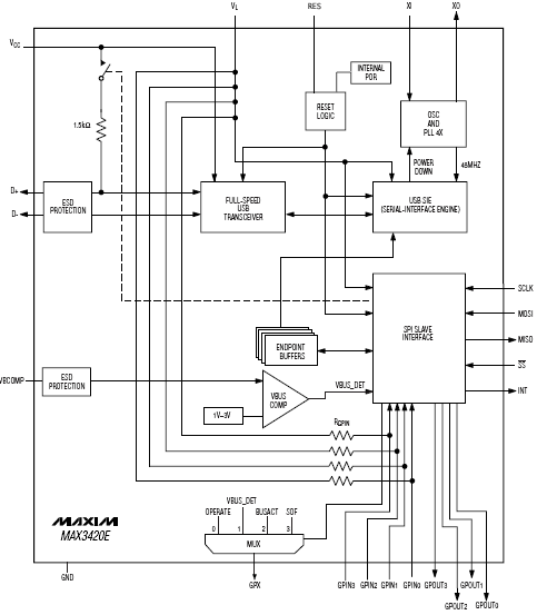
Структурная схема MAX3420E:

Структурная схема MAX3420E

Расположение выводов MAX3420E:

Расположение выводов MAX3420EРасположение выводов MAX3420E

Общее описание:

MAX3420E содержит все цифровые и аналоговые модули, необходимые для того, чтобы обеспечить периферийное USB вести обмен данными на полной скорости в соответствии со стандартом USB 2.0. Встроенный USB приемопередатчик имеет защиту от ЭСП ±15 кВ и программируемое USB подключение и отключение. Встроенный SIE (автомат последовательного интерфейса) поддерживает USB на низком уровне (проверка ошибок и перезапуск шины). При работе MAX3420E использует регистр, доступ к которому осуществляется через SPI интерфейс, который работает на частоте до 26 МГц. Любой мастер SPI шины (микропроцессор, ASIC, DSP и т.д.) может получить дополнительный USB интерфейс, используя простой 3- или 4 - проводный интерфейс. Встроенный преобразователь уровней позволяет SPI интерфейсу работать с сигналами от 1.71 до 3.6 В.

Встроенная схема формирования временных интервалов USB интерфейса позволяет обслуживать прибор через SPI интерфейс по прерываниям, при этом мастеру шины не нужно самому обеспечивать синхронизацию USB интерфейса. MAX3420E содержит четыре входа и четыре выхода общего назначения, управлять которыми также можно через SPI интерфейс.

MAX3420E имеет рабочий температурный диапазон от -40 С до +85 С. Этот прибор доступен в 7x7 мм 32 контактном TQFP и 4x4 мм 24 контактном TQFN корпусах.

Документация:

  509 Kb Engl Описание микросхемы MAX3420E





 
Впервые? | Реклама на сайте | О проекте | Карта портала
тел. редакции: +7 (995) 900 6254. e-mail:info@eust.ru
©1998-2023 Рынок Микроэлектроники