Поиск по сайту:

 


По базе:  

микроэлектроника, микросхема, микроконтроллер, память, msp430, MSP430, Atmel, Maxim, LCD, hd44780, t6963, sed1335, SED1335, mega128, avr, mega128  
  Главная страница > Компоненты > Maxim > Интерфейсы > RS-422/485




MAX3070E, MAX3071E, MAX3072E, MAX3073E, MAX3074E, MAX3075E, MAX3076E, MAX3077E, MAX3078E, MAX3079E

3.3 В RS-485/RS-422 приемопередатчики с защитой от ЭСП ±15 кВ, схемой коррекции ошибок и функцией "горячей замены"

Характеристики:

  • 3.3 В питание
  • Защита всех линий RS-485 от ЭСП ±15 кВ, соответствующего модели тела человека
  • Приемник со схемой истинной коррекции ошибок, отвечающий требованиям EIA/TIA-485
  • Выводы DE и nonRE для отключения передатчика и приемника при "горячем" подключении
  • Усовершенствованная схема ограничения скорости нарастания выходного сигнала позволяет снизить количество ошибок при передаче (MAX3070E-MAX3075E/MAX3079E)
  • Низкое потребление в дежурном режиме (у всех приборов, кроме MAX3071E/MAX3074E/MAX3077E)
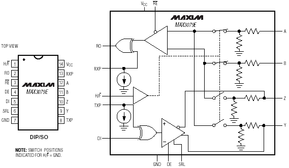
  • Вывод выбора полудуплексного или дуплексного режима работы (MAX3079E)
  • Контроль фазы для коррекции инверсного подключения линий витой пары (MAX3079E)
  • Возможность подключения к одной паре до 256 приемопередатчиков
  • Выпускаются в стандартных промышленных 8 выводных SO корпусах

Применение:

  • Системы управления освещением
  • Управление производственными процессами
  • Телекоммуникационные системы
  • Охранные системы
  • Контрольно-измерительная аппаратура

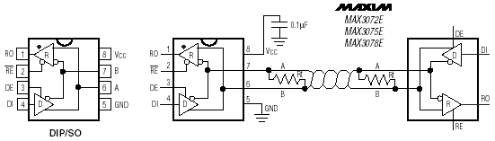
Расположение выводов и функциональная схема:




Тип HALF/FULL DUPLEX Скорость
(Mbps)
SLEW-RATE
LIMITED
LOW-POWER
SHUTDOWN
RECEIVER/
DRIVER
ENABLE
TRANSCEIVERS
ON BUS
Выводов
MAX3070E Full 0.250 Yes Yes Yes 256 14
MAX3071E Full 0.250 Yes No No 256 8
MAX3072E Half 0.250 Yes Yes Yes 256 8
MAX3073E Full 0.5 Yes Yes Yes 256 14
MAX3074E Full 0.5 Yes No No 256 8
MAX3075E Half 0.5 Yes Yes Yes 256 8
MAX3076E Full 16 No Yes Yes 256 14
MAX3077E Full 16 No No No 256 8
MAX3078E Half 16 No Yes Yes 256 8
MAX3079E Selec Selec Selec Yes Yes 256 14

Общее описание:

MAX3070E-MAX3079E - 3.3 В RS-485/RS-422 приемопередатчики с одним передатчиком и одним приемником, имеющими защиту от ЭСП ± 15 кВ. Эти приборы содержат схему коррекции ошибок, гарантирующую на выходе приемника высокий логический сигнал при ХХ или КЗ на входе приемника. Приемник также обеспечивает высокий логический сигнал, если все подключенные к линии передатчики находятся в высокоомном состоянии. Приборы MAX3070E-MAX3079E имеют функцию "горячего" подключения к шине, обеспечивающую отсутствие ложных переключений.

MAX3070E/MAX3071E/MAX3072E имеют ограничение скорости нарастания выходного сигнала драйверов передатчиков, что позволяет снизить уровень паразитных ЭМИ и отражений, вызванных плохим соединением выходов с линиями передачи, а также позволяет достичь скорости безошибочной передачи данных до 250 кбит/с. MAX3073E/MAX3074E/MAX3075E также имеют ограничение скорости нарастания выходного сигнала, но способны обеспечить скорость безошибочной передачи данных до 500 кбит/с. MAX3076E/MAX3077E/MAX3078E не имеют ограничения скорости нарастания выходного сигнала, что позволяет обеспечить пропускную способность до 16 Мбит/с. У прибора MAX3079E ограничение скорости нарастания выходного сигнала задается сигналами на выводах и позволяет выбирать пропускную способность 250 кбит/с, 500 кбит/с или 16 Мбит/с.

MAX3072E/MAX3075E/MAX3078E предназначены для работы в полудуплексном режиме, а MAX3070E/MAX3071E/MAX3073E/MAX3074E/MAX3076E/MAX3077E - в дуплексном. У прибора MAX3079E режим работы (дуплексный или полудуплексный) выбирается сигналом на выводе управления. У этого прибора есть также независимое управление фазами приемника и передатчика при помощи сигналов на выводах управления.

Приемопередатчики MAX3070E-MAX3079E имеют ток потребления в режиме ХХ по выходу 800 мкА. Все приборы имеют входное сопротивление, равное 1/8 сопротивления единичной нагрузки, что позволяет подключать к одной шине до 256 приемопередатчиков.

Документация:

  502 Kb Engl Описание микросхемы





 
Впервые? | Реклама на сайте | О проекте | Карта портала
тел. редакции: +7 (995) 900 6254. e-mail:info@eust.ru
©1998-2023 Рынок Микроэлектроники