Поиск по сайту:

 


По базе:  

микроэлектроника, микросхема, микроконтроллер, память, msp430, MSP430, Atmel, Maxim, LCD, hd44780, t6963, sed1335, SED1335, mega128, avr, mega128  
  Главная страница > Компоненты > Maxim > Интерфейсы > RS-422/485




MAX3030E, MAX3031E, MAX3032E, MAX3033E

Счетверенные 3,3 В RS-422 передатчики с защитой от ЭСП ±15 кВ

Характеристики:

  • Удовлетворяют рекомендациям TIA/EIA-422-B (RS-422) и ITU-T V.11
  • Защита выходов передатчиков от ±15 кВ ЭСП
  • Функция горячей замены
  • Гарантируемая скорость передачи данных до 20 Мбит/с (MAX3030E, MAX3032E)
  • При контроле скорости нарастания выходного сигнала скорость передачи данных до 2 Мбит/с (MAX3031E, MAX3033E)
  • 16 выводные TSSOP и узкий SO корпуса
  • Малое потребление (в статическом режиме < 330 мкВт при 3,3 В питании)
  • Однополярное 3,3 В питание
  • Цоколевка соответствует промышленному стандарту
  • Отключение при перегреве

Применение:

  • Телекоммуникационное оборудование
  • Интерфейсное оборудование V.11/X.21
  • Промышленные PLC
  • Устройства контроля двигателей

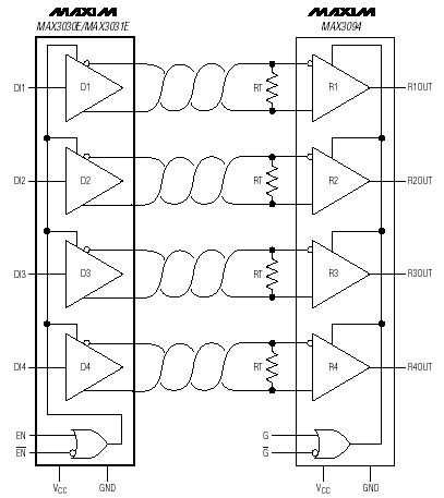
Блок схема:

Расположение выводов:

Общее описание:

MAX3030E-MAX3033E семейство счетверенных передатчиков RS-422 цифровых данных по витым парам, удовлетворяющее стандартам TIA/EIA-422-B и ITU-T V.11. Все выводы приборов имеют защиту от +- 15 кВ электростатического потенциала (ЭСП) человеческого тела. Приборы MAX3030E-MAX3033E имеют гарантированную скорость передачи данных 2 Мбит/с или 20 Мбит/с. Передатчики со скоростью 2 Мбит/с имеют ограничение скорости нарастания фронтов для снижения паразитных ЭМИ и отражений, возникающих из-за неидеальности соединений линий связи.

20 Мбит/с передатчики имеют низкий ток покоя (ICC < 100 мкА), что делает их идеальными для применения в оборудовании с автономным питанием. Имея максимальную задержку распространения 16 нс и максимальное рассогласование задержек передатчиков одного прибора 5 нс, эти приборы идеально подходят для параллельной передачи данных. Приборы MAX3030E-MAX3033E имеют функцию горячей замены, которая устраняет ложные переключения в линии связи при пропадании питания или при подключении устройств к работающей линии связи.

MAX3030E-MAX3033E - маломощные счетверенные передатчики с защитой от ЭСП, совместимые по выводам со стандартными приборами 26LS31 и SN75174. Приборы выпускаются в 16 выводных миниатюрных TSSOP и SO корпусах.

Документация:

  326 Kb Engl Описание микросхемы





 
Впервые? | Реклама на сайте | О проекте | Карта портала
тел. редакции: +7 (995) 900 6254. e-mail:info@eust.ru
©1998-2023 Рынок Микроэлектроники