Поиск по сайту:

 


По базе:  

микроэлектроника, микросхема, микроконтроллер, память, msp430, MSP430, Atmel, Maxim, LCD, hd44780, t6963, sed1335, SED1335, mega128, avr, mega128  
  Главная страница > Компоненты > Maxim > Интерфейсы > ECL, PECL, LVDS




MAX9390, MAX9391

Двойные коммутаторы 2х2 с преобразователями "любых" сигналов в LVDS сигналы

Отличительные особенности:

  • Уровень выходных сигналов 250 мВ на частоте 1.5 ГГц
  • Максимальное СКЗ длительности случайных переходных колебаний 2 пс
  • Динамические характеристики гарантируются при уровне входного сигнала не менее 150 мВ
  • Входные сигналы могут быть дифференциальными сигналами любого стандарта
  • LVDS выходы
  • Помехоустойчивое детектирование сигналов с высоким логическим уровнем (MAX9390)
  • Помехоустойчивое детектирование сигналов с низким логическим уровнем (MAX9391)
  • Диапазон напряжения питания от +3.0 до +3.6 В
  • LVCMOS/LVTTL - совместимые входы управления

Области применения:

  • Быстродействующее телекоммуникационное оборудование и оборудование передачи данных
  • Системы распределения синхроимпульсов основных плат центральных коммутаторов
  • DSLAM
  • Отказоустойчивые системы

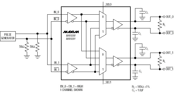
Функциональная схема:

Расположение выводов:

Общее описание:

MAX9390/MAX9391 - высокоскоростные низко потребляющие малошумящие двойные матричные коммутаторы 2 x 2. MAX9390/MAX9391 мультиплексируют одну из двух входных пар каждого канала к одному или обоим LVDS выходам. Коммутация производится независимо.

Четыре LVCMOS/LVTTL логических входа (по два на канал) управляют внутренними подключениями между входами и выходами. Это позволяет использовать приборы в качестве демультиплексоров 1:2, матричных коммутаторов 2 x 2, мультиплексоров 2:1 или двойных ретрансляторов. Это делает MAX9390/MAX9391 идеальными для применения в отказоустойчивых системах, следящих системах и системах распределения синхроимпульсов и данных.

Отказоустойчивые входные схемы устанавливают на выходах низкие дифференциальные сигналы при разрыве входных цепей или при превышении синфазным входным напряжением допустимого уровня. MAX9390 обеспечивает входное отказоустойчивое детектирование LVDS, HSTL и других привязанных к общему проводу дифференциальных сигналов с высоким логическим уровнем. MAX9391 обеспечивает входное отказоустойчивое детектирование LVPECL, CML и других привязанных к питанию дифференциальных сигналов с низким логическим уровнем.

Сверхнизкий размах (менее 82 пс) переходных колебаний псевдослучайных последовательностей гарантирует надежную связь по высокоскоростным каналам связи, которые чувствительны к погрешности синхронизации. На частоте 1.5 ГГц величина рассогласования между каналами не превышает 65 пс.

LVDS входы и выходы отвечают требованиям стандарта TIA/EIA-644 LVDS. LVDS выходы имеют нагрузочную способность 100 Ом. MAX9390/MAX9391 выпускаются в 32- выводных TQFP и 5x5 мм тонких QFN корпусах и имеют рабочий температурный диапазон от -40°C до +85°C.

Документация:

  378 Kb Engl Описание микросхемы
  Что такое LVDS





 
Впервые? | Реклама на сайте | О проекте | Карта портала
тел. редакции: +7 (995) 900 6254. e-mail:info@eust.ru
©1998-2023 Рынок Микроэлектроники