Поиск по сайту:

 


По базе:  

микроэлектроника, микросхема, микроконтроллер, память, msp430, MSP430, Atmel, Maxim, LCD, hd44780, t6963, sed1335, SED1335, mega128, avr, mega128  
  Главная страница > Компоненты > Maxim > Интерфейсы > ECL, PECL, LVDS




MAX9384

Двухканальный, дифференциальный ECL/ PECL мультиплексор 2:1

Отличительные особенности:

  • Детерминированный джиттер: 40 пс (двойная амплитуда)
  • Дифференциал задержки распространения 440 пс
  • Фазовый сдвиг между выходными каналами 12 пс
  • Индивидуальная и общая выборка
  • Напряжение питания от +3.0 В до +5.5 В для дифференциальных LVECL/ PECL
  • Низкий логический уровень при разомкнутых входах, или входном уровне на входах VEE
  • Защита от электростатических разрядов (ESD) по модели человеческого тела >2 кВ
  • Совместимость на уровне выводов с ИС MC100LVEL56 и с MC100EL56

Области применения:

  • Высокоскоростное телекоммуникационное оборудование, приложения Datacom
  • Распределение тактового сигнала в опорной сети центрального офиса
  • Мультиплексоры доступа (DSLAM/ DLC).

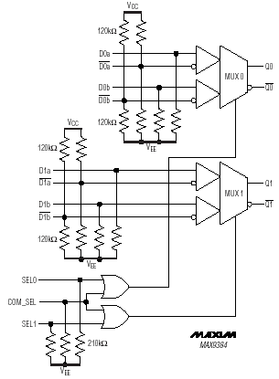
Функциональная схема:

Расположение выводов:

Описание:

ИС MAX9384 представляет собой полнодифференциальный, двухканальный, мультиплексор 2:1, имеющий ультра - низкую задержку распространения сигнала (560 пс, макс) и сдвиг фазы между каналами (40 пс, макс). ИС идеальна для приложений с мультиплексированием сигналов данных и тактовой частоты. Два мультиплексора 2:1 могут управляться, как индивидуально, так и одновременно с помощью входов выборки мультиплексоров COM_SEL, SEL0 и SEL1. Входы управления мультиплексорами совместимы с логическими уровнями ECL/ PECL и соотносятся, со встроенным в ИС, опорными уровнями VBB0 VBB1, номинально VCC - 1.33 В.

Дифференциальные входы D и D (активный низкий) могут быть сконфигурированы для приема одиночных сигналов, когда незадействованные комплиментарные входы подключаются к встроенному источнику питания VBB, как к источнику опорного напряжения. Все дифференциальные входы имеют цепи смешения и фиксации, принудительно переводящие выходы в низкое логическое состояние, если входы разомкнуты, или имеют уровень VEE. Одиночные входы выборки мультиплексоров имеют резисторы привязки уровня на VEE, обеспечивая низкий логический уровень при разомкнутых входах выборки.

ИС имеет широкий диапазон напряжения питания (VCC - VEE) от +3.0 В до +5.5 В для PECL, и от -3.0 В до + 5.5 В для ECL и совместима на уровне выводов с ИС MC100LVEL56 и MC100EL56. ИС MAX9384 выпускается в корпусе типа 20-pin SO и специфицирована для эксплуатации в диапазоне температур от -40°С до +85°С.

Документация:

  236 Kb Engl Описание микросхемы





 
Впервые? | Реклама на сайте | О проекте | Карта портала
тел. редакции: +7 (995) 900 6254. e-mail:info@eust.ru
©1998-2023 Рынок Микроэлектроники