Поиск по сайту:

 


По базе:  

микроэлектроника, микросхема, микроконтроллер, память, msp430, MSP430, Atmel, Maxim, LCD, hd44780, t6963, sed1335, SED1335, mega128, avr, mega128  
  Главная страница > Компоненты > Maxim > Интерфейсы > ECL, PECL, LVDS




MAX9377, MAX9378

Преобразователи с подключаемым делителем на 4 "любых" сигналов в LVPECL/LVDS сигналы

Отличительные особенности:

  • Гарантированная максимальная рабочая частота 2 ГГц
  • Принимает LVDS/LVPECL/любые входные сигналы
  • Подключаемый внешним входным сигналом делитель на четыре
  • Типовая задержка распространения 421 пс (MAX9377)
  • Максимальная величина импульсной погрешности 30 пс
  • Максимальное СКЗ случайных переходных колебаний 2 пс
  • Динамические характеристики гарантируются при уровне входного сигнала не менее 100 мВ
  • Термо компенсированные LVPECL выходы
  • Диапазон напряжения питания от +3.0 до +3.6 В
  • Защита от ЭСП > 2 кВ, соответствующего модели тела человека

Области применения:

  • Логические преобразователи соединительных плат
  • LAN
  • WAN
  • DSLAM
  • DLS

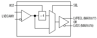
Функциональная схема:

Расположение выводов:

Общее описание:

MAX9377/MAX9378 - полностью дифференциальные быстродействующие преобразователи любых сигналов в LVPECL или LVDS сигналы, имеющие низкую длительность переходных колебаний и встроенный подключаемый делитель на четыре. Низкая задержка распространения и высокая скорость делают приборы идеальными для применения в различных быстродействующих системах, имеющих рабочую частоту до 2 ГГц.

MAX9377/MAX9378 принимает "любой" входной дифференциальный сигнал, лежащий в диапазоне напряжения питания и имеющий уровень не менее 100 мВ. Входы полностью совместимы со стандартными LVDS, LVPECL, HSTL и CML дифференциальными сигналами. Выходы MAX9377 - LVPECL- совместимые и имеют достаточную нагрузочную способность для работы на 50 Ом линию передачи. Выводы MAX9378 - LVDS- совместимые и отвечают требованиям стандарта ANSI EIA/TIA-644 LVDS.

MAX9377/MAX9378 выпускаются в 8- выводных µMAX корпусах, работают от однополярного 3,3 В источника питания и имеют рабочий температурный диапазон от -40°C до +85°C.

Документация:

  158 Kb Engl Описание микросхемы
  Что такое LVDS





 
Впервые? | Реклама на сайте | О проекте | Карта портала
тел. редакции: +7 (995) 900 6254. e-mail:info@eust.ru
©1998-2023 Рынок Микроэлектроники