Поиск по сайту:

 


По базе:  

микроэлектроника, микросхема, микроконтроллер, память, msp430, MSP430, Atmel, Maxim, LCD, hd44780, t6963, sed1335, SED1335, mega128, avr, mega128  
  Главная страница > Компоненты > Maxim > Интерфейсы > ECL, PECL, LVDS




MAX9374/MAX9374A

Дифференциальные преобразователи уровней LVPECL-в-LVDS

Отличительные особенности:

  • Гарантированная рабочая частота 2.0 ГГц
  • Задержка распространения сигнала 250 пс (типичное значение)
  • Низковольтное питание от 2.375 В до 2.625 В (MAX9374)
  • Встроенный источник опорного напряжения VBB для работы с одинарными входными сигналами
  • Низкий выходной уровень при разомкнутом входе
  • Выходные уровни соответствуют стандарту ANSI TIA/EIA-644 LVDS
  • Защита от электростатики >2.0 кВ стандарт (Human Body Model)
  • Выпускаются в малогабаритных 8-Pin SOT23 корпусах

Области применения:

  • Прецизионные буферные элементы тактовых сигналов
  • Повторители данных с низкими фазовыми искажениями
  • Распределители данных центрального офиса
  • DSLAM/DLC
  • Базовые станции
  • Хранилища данных

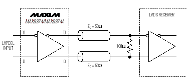
Типовая схема включения:

Расположение выводов:

Описание:

ИС MAX9374/MAX9374A являются 2.0 ГГц дифференциальными преобразователями уровней LVPECL-в-LVDS и предназначены для использования в телекоммуникационных приложениях. Данные ИС имеют задержку распространения сигнала 250 пс. Дифференциальные выходные сигналы соответствуют стандарту ANSI TIA/EIA-644 LVDS. Уровни входных сигналов смещаются встроенными в ИС резисторами так, что при разомкнутом входе дифференциальный выход находится в низком логическом уровне. ИС имеют встроенный источник опорного напряжения VBB для работы с одиночными входными сигналами.

ИС MAX9374 предназначена для работы с напряжением питания от 2.375 В до 2.625 В в системах с питанием 2.5 В, тогда, как MAX9374A предназначена для функционирования в системах с номинальным напряжением питания 3.3 В и может работать в диапазоне напряжений питания от 3.0 В до 3.6 В. Обе ИС производятся в корпусах типа 8-pin SO и SOT23.

Документация:

  167 Kb Engl Описание микросхемы





 
Впервые? | Реклама на сайте | О проекте | Карта портала
тел. редакции: +7 (995) 900 6254. e-mail:info@eust.ru
©1998-2023 Рынок Микроэлектроники