AT83C26
Интерфейс считывателя смарт-карт с управлением питанием
Основные характеристики:
- 5 интерфейсов смарт-карт
- - Совместимость со стандартами ISO 7816, EMV2000, GIE-CB и GSM
- - Непосредственное подключение к смарт-картам без преобразования уровней
- Преобразователи логических уровней
- Ограничение тока короткого замыкания
- Защиты от электростатических разрядов свыше 4 кВ (MIL/STD 883 класс 3)
- - 1 или 2 интерфейса ведущей смарт-карты
- Поддержка синхронной карты (с контактами C4 и C8)
- Детекция карты и автоматическое выполнение последовательности действий по деактивизации при извлечении карты
- - 1...4 карт SAM/SIM (15..30 мА на каждую карту)
- - Программируемое напряжение для каждой смарт-карты
- Класс A: 5В ±0.4В при 60 мА (±0.25В при 65 мА с напряжением питания VCC= 5В±10%)
- Класс B: 3В ±0.2В при 60 мА
- Класс C: 1.8В ±0.14В при 40 мА
- - Малые пульсирующие помехи: < 200 мВ
- - Программируемая последовательность активизации
- - Автоматическая деактивизация при отказе питания карты или при токовой перегрузке и отказе системного питания
- - Возможность программной установки логических уровней (0 или 1) на выходе синхронизации карты для перевода ее в экономичные режимы
- Универсальный интерфейс управления
- - Двухпроводной последовательный интерфейс (TWI) со скоростью связи до 400 кбит/сек.
- Программирование адреса позволяет установить на одной шине до 4 AT83C26
- - Программируемый выход прерывания
- Выход сброса с функциями:
- - сброс при подаче питания (POR)
- - детектор нарушения питания (PFD)
- Расширенный диапазон напряжения питания: 3..5.5В
- Малая потребляемая мощность
- - 5 мА - максимальный рабочий ток (без смарт-карты)
- - 150 мА - максимальный ток при запуске (для каждого ППН)
- - 30 мкА - типичное потребление в режиме снижения потребления (без смарт-карты)
- Вход синхронизации 4..48 МГц
- Системная синхронизация поступает с внешнего входа синхронизации
- Промышленный температурный диапазон: -40..+85°C
- Корпуса: QFN48, VQFP48
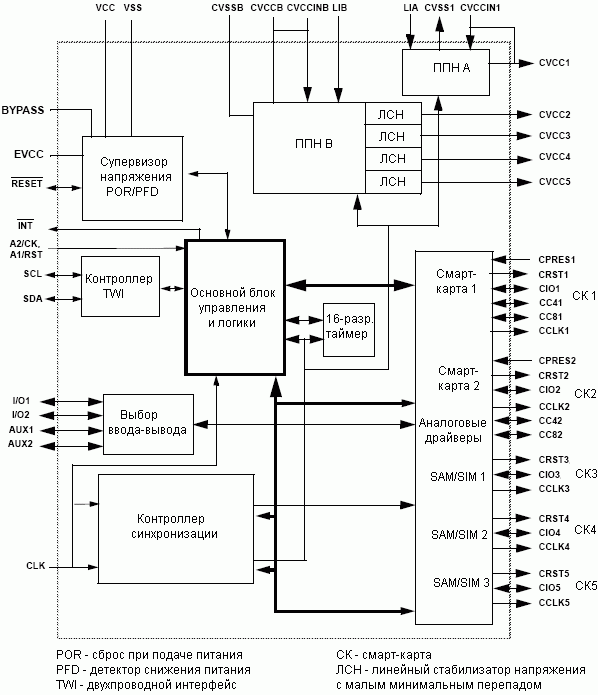
Структурная схема:

Расположение выводов:

Описание:
AT83C26 - интегральная схема интерфейса считывателя смарт-карт, ориентированная на приложения с функцией чтения/записи смарт-карт, например терминалы электронного перевода денежных средств, кассовые терминалы и ТВ-приставки. Микросхема позволяет связать любой управляющий контроллер со смарт-картами любого типа. За счет возможности программирования адреса двухпроводного интерфейса TWI к одной шине может быть подключено до 4 AT83C26.
Благодаря интегрированию преобразователей постоянного напряжения с высоким к.п.д. и малому потреблению в дежурном режиме данная интегральная схема идеально подходит для маломощных и портативных приложений. Сокращенный перечень элементов позволяет уменьшить размеры и стоимость системы. Интеллектуальная система защиты гарантирует своевременность и управляемость выключения при возникновении аварийных условий.
Информация для заказа:
| Код заказа |
Напряжение питания |
Температурный диапазон |
Корпус |
Упаковка |
| AT83C26-PLTUL |
3..5.5В |
Промышленный |
MLF48 |
Поддон |
| AT83C26-PLRUL |
3..5.5В |
Промышленный |
MLF48 |
Лента на бобине |
| AT83C26-RKTUL |
3..5.5В |
Промышленный |
VQFP48 |
Поддон |
| AT83C26-RKRUL |
3..5.5В |
Промышленный |
VQFP48 |
Лента на бобине |
Документация:
| |
 |
1210 Kb Engl Описание микросхемы |
| |
 |
12 Kb Engl Поправки к описанию микросхемы |