Поиск по сайту:

 


По базе:  

микроэлектроника, микросхема, микроконтроллер, память, msp430, MSP430, Atmel, Maxim, LCD, hd44780, t6963, sed1335, SED1335, mega128, avr, mega128  
  Главная страница > Обзоры по фирмам > Atmel > RF




T2803

Однокристальный трансивер для диапазона WDECT/ISM 2.4 ГГц

Отличительные особенности:

  • Напряжение питания 3В-4.6В (стабилизированное)
  • Встроенный вспомогательный стабилизатор напряжения (3.2В-4.6В)
  • Малый потребляемый ток
  • Несколько внешних компонентов
  • Не требуется механическая настройка
  • Поддержка несколько задающих частот синхронизации (10.368МГц/13.824МГц)
  • Синтезатор с быстрой стабилизацией (разнос каналов 864 кГц)
  • Предусилитель передачи с выходной мощностью 3 дБм на частоте 2.45 ГГц (4 программируемых уровня мощности)
  • Генератор линейно-изменяющегося напряжения для линейного изменения и управления мощностью внешнего усилителя мощности, выполненного по технологии SiGe (T7024 и T7026)

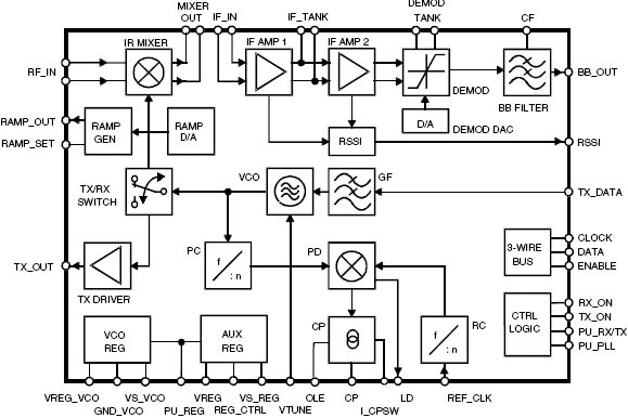
Структурная схема:

Структурная схема T2803

Расположение выводов:

Расположение выводов T2803

Типовая схема включения:

Типовая схема включения T2803

Описание:

T2803 - интегральная схема РЧ-трансивера для построения маломощных устройств передачи данных в частотном диапазоне ISM 2.45ГГц. Все компоненты трансивера, в т.ч. смеситель подавления помех по зеркальному каналу, усилитель ПЧ, ЧМ-демодулятор, фильтр основной частоты, индикатор уровня принимаемого сигнала RSSI, предусилитель передачи, генератор линейно-изменяющегося напряжения для управления мощностью внешнего усилителя, синтезатор, ГУН и гауссов фильтр данных в канале передачи, интегрированы в корпус QFN48. Важным преимуществом данного трансивера является отсутствие необходимости в механической настройке на стадии производства..

Информация для заказа:

Код заказа Корпус Упаковка
T2803-PLQ QFN48 Лента на бобине
T2803-PLQW QFN48 (без свинца и галоидных соединений) Лента на бобине

Документация:

  583 Kb Engl Описание микросхемы
    Найти поставщиков вы можете перейдя по ссылке Каталог фирм микроэлектроники

поставщики электронных компонентов






 
Впервые? | Реклама на сайте | О проекте | Карта портала
тел. редакции: +7 (995) 900 6254. e-mail:info@eust.ru
©1998-2023 Рынок Микроэлектроники