Поиск по сайту:

 


По базе:  

микроэлектроника, микросхема, микроконтроллер, память, msp430, MSP430, Atmel, Maxim, LCD, hd44780, t6963, sed1335, SED1335, mega128, avr, mega128  
  Главная страница > Компоненты > Atmel > Микроконтроллеры




AT90USB646, AT90USB647, AT90USB1286, AT90USB1287

8-разрядные AVR-микроконтроллеры с полноскоростным (12 Мбит/с) интерфейсом USB 2.0 OTG и внутрисистемно-программируемой FLASH-памятью объемом 64/128 Мбит

Отличительные особенности:

  • Высокоэффективный, маломощный 8-разрядный AVR-микроконтроллер
  • Прогрессивная RISC-архитектура
    • Эффективный набор из 135 инструкций, большинство которых выполняются за один машинный цикл
    • 32 x 8 рабочих регистров общего назначения
    • Полностью статическая работа
    • Производительность до 16 миллионов операцией в секунду при тактовой частоте 16МГц
    • Встроенное двухтактное умножающее устройство
  • Энергонезависимые памяти программ и данных
    • 64/128 кбайт внутрисистемно-программируемой флэш-памяти
      Износостойкость:100 тысяч циклов записи/стирания
    • Опциональный сектор загрузочного кода с раздельными битами защиты
      Внутрисистемное программирование под управлением встроенной загрузочной программы, активизирующейся после сброса
      Действительная поддержка чтения во время записи
    • 2кбайт/4кбайт (соответственно для 64/128 кбайтных версий флэш-памяти) ЭСППЗУ
      Износостойкость: 100 тысяч циклов записи/стирания
    • 4 кбайт/8 кбайт (соответственно для 64/128 кбайтных версий флэш-памяти) статического ОЗУ
    • До 64 кбайт опционального пространства внешней памяти
    • Программируемая защита программного кода
  • Интерфейс JTAG (стандарт IEEE 1149.1)
    • Поддержка граничного сканирования в соответствии со стандартом JTAG
    • Расширенная поддержка встроенной отладки
    • Программирование флэш-памяти, ЭСППЗУ, конфигурационных бит и бит защиты программы через интерфейс JTAG
  • Полно/низкоскоростное устройство USB 2.0 и модуль On-The-Go
    • Полностью отвечает требованиям к универсальной последовательной шине версии 2.0 и дополнениям On-The-Go к требованиям USB версии 1.0
    • Поддержка скоростей передачи до 12Мбит/сек и 1.5Мбит/сек
  • Модуль полно/низкоскоростного устройства USB с прерыванием по завершении передачи
    • Конечная точка 0 для управления: до 64 байт
    • 6 программируемых конечных точек с входящими или исходящими направлениями, а также поточной, прерывистой или изохронной передачей
    • Конфигурируемый размер конечных точек до 256 байт в двухбанковом режиме
    • Отдельное двухпортовое ОЗУ размером 832 байт в качестве памяти конечных точек
    • Прерывания при приостановке и возобновлении
    • Схема сброса при подаче питания сбрасывает также и шину USB
    • Синтезатор частоты 48 МГц на основе ФАПЧ для работы шины в полноскоростном режиме
    • Отключение шины USB по запросу микроконтроллера
  • USB OTG:
    • Поддержка протоколов HNP (протокол общения с хостом) и SRP (протокол запроса сессии) для построения двухролевого устройства OTG
    • Сигналы статуса и управления для программной реализации HNP и SRP
    • Программируемые выдержки времени для HNP и SRP
  • Периферийные устройства
    • Два 8-разрядных таймера-счетчика с отдельным предделителем и режимом сравнения
    • Два 16-разрядных таймера-счетчика с отдельным предделителем, режимами сравнения и захвата
    • Счетчик реального времени с отдельным генератором
    • Два 8-разрядных канала ШИМ
    • Шесть каналов ШИМ с программируемой разрешающей способностью от 2 до 16 разрядов
    • Модулятор выхода сравнения
    • 8 канальный 10-разрядный АЦП
    • Программируемый последовательный УСАПП
    • Ведущий/подчиненный последовательный интерфейс SPI
    • Байт-ориентированный 2-проводной последовательный интерфейс
    • Программируемый сторожевой таймер с отдельным встроенным генератором
    • Встроенный аналоговый компаратор
    • Прерывание и возобновление работы микроконтроллера по изменению состоянию выводов
  • Специальные микроконтроллерные функции
    • Сброс при подаче питания и программируемый детектор снижения напряжения
    • Внутренний калиброванный генератор
    • Внешний и внутренний источники прерываний
    • Шесть экономичных режимов работы: холостой ход (Idle), снижение шумов АЦП, экономичный (Power-save), снижение мощности (Power-down), дежурный (Standby) и расширенный дежурный (Extended Standby)
  • Ввод-вывод и корпуса
    • 48 программируемых линий ввода-вывода
    • 64-выводные корпуса TQFP и QFN
  • Рабочие напряжения
    • 2.7 - 5.5В
    • 2.2 - 5.5В (уточните доступность)
  • Рабочая температура
    • Промышленный температурный диапазон (-40°C...+85°C)
  • Максимальная частота
    • 8 МГц при питании 2.7В
    • промышленный температурный диапазон
    • 16 МГЦ при питании 4.5В
    • промышленный температурный диапазон

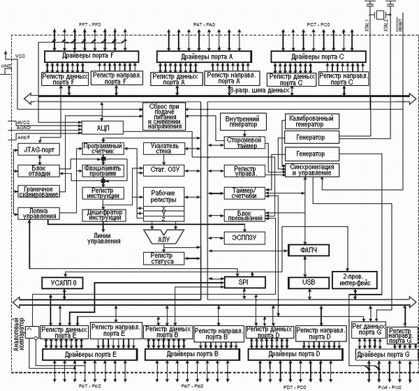
Структурная схема:

Структурная схема AT90USB64, AT90USB128

Расположение выводов:

Расположение выводов AT90USB64, AT90USB128
Расположение выводов AT90USB64, AT90USB128

Описание:

AT90USB64, AT90USB128 - экономичные 8-разрядные КМОП-микроконтроллеры, выполненные на основе высокоэффективной архитектуры AVR RISC. За счет выполнения большинства инструкций за один период синхронизации микроконтроллеры AT90USB64, AT90USB128 достигают производительности 1 миллион операций в секунду на 1 МГц тактовой частоты, что позволяет разработчикам оптимизировать соотношение потребляемой мощности и быстродействия.

Ядро AVR сочетает обширный набор инструкций с 32 регистрами общего назначения. Все 32 регистра непосредственно подключены к арифметико-логическому устройству (АЛУ), что позволяет указывать в одной инструкции одновременно два регистра и выполнять такую инструкцию за один период синхронизации. Результирующая архитектура является более эффективной и позволяет на порядок повысить производительность относительно традиционных CISC-микроконтроллеров.

AT90USB64, AT90USB128 содержат следующие компоненты: 64/128 кбайт внутрисистемно-программируемой флэш-памяти с возможностями чтения во время записи, 2/4 кбайт ЭСППЗУ, 4/8 кбайт статического ОЗУ, 48 линий ввода-вывода общего назначения, 32 рабочих регистра общего назначения, счетчик реального времени, четыре конфигурируемых таймера-счетчика с режимами сравнения и ШИМ, один УСАПП, байт-ориентированный 2-проводной последовательный интерфейс, 8-канальный 10-разрядный АЦП с опциональным дифференциальным входным каскадом (поддерживает программирование усиления), программируемый сторожевой таймер с отдельным внутренним генератором, последовательный порт SPI, интерфейс JTAG (совместим со стандартом IEEE 1149.1 и используется для программирования, граничного сканирования и доступа к встроенной отладочной системе). Кроме того, микроконтроллеры могут быть переведены в один из шести экономичных режимов работы. В режиме холостого хода (Idle) останавливается ЦПУ, но продолжают работать статическое ОЗУ, таймеры-счетчики, порт SPI и система прерываний. В режиме снижения мощности (Power-down) сберегается содержимое регистров, но прекращает работу генератор, отключая все встроенные функции до следующего прерывания или аппаратного сброса. В экономичном режиме (Power-save) продолжает работу асинхронный таймер, обеспечивая возможность продолжения счета времени, когда остальная часть микроконтроллера отключена. В режиме снижения шума АЦП останавливается ЦПУ и все модули ввода-вывода, за исключением АЦП, что позволяет минимизировать влияние цифрового шума на результат преобразования. В дежурном режиме (Standby) продолжает работать кварцевый/керамический генератор, а остальная часть микроконтроллера бездействует. Использование этого режима позволяет достичь минимальной длительности возобновления нормальной работы микроконтроллера при сохранении пониженного уровня потребления. В расширенном дежурном режиме в работе остаются основной генератор и асинхронный таймер.

Микроконтроллеры выпускаются по технологии высокоплотной энергонезависимой памяти компании Atmel. Механизм программирования встроенной флэш-памяти позволяет перепрограммировать ее внутрисистемно через последовательный интерфейс SPI с помощью обычного программатора энергонезависимой памяти или с помощью встроенной загрузочной программы, выполняемой ядром AVR. Загрузочная программа может использовать любой интерфейс для загрузки программного кода во флэш-память. За счет разделения флэш-памяти на загрузочный сектор и сектор прикладной программы поддерживается действительная возможность чтения во время записи, когда загрузочный код продолжает исполняться и выполняется обновление сектора прикладной программы. Сочетание 8-разрядного RISC ЦПУ с внутрисистемно самопрограммируемой флэш-памятью в одном кристалле делает микроконтроллеры Atmel AT90USB64, AT90USB128 мощным инструментом для эффективного и выгодного в стоимостном плане решения задач встраиваемого управления.

Микроконтроллеры AT90USB64, AT90USB128 поддерживаются полным набором программ и средствами для проектирования, в т.ч.: Си-компиляторы, макроассемеблеры, программные отладчики/симуляторы, внутрисхемные эмуляторы и оценочные наборы.

Информация для заказа:

Код заказа Тактовая частота, МГц Напряжение питания, В Корпус Температурный диапазон Маркировка
AT90USB1287-16AU 8-16 2.7 - 5.5 64-выв. TQFP Промышленный (-40° ...+85°C) 90USB1287-16AU
AT90USB1287-16MU 8-16 2.7 - 5.5 64-выв. QFN Промышленный (-40° ...+85°C) 90USB1287-16MU
AT90USB1286-16MU 8-16 2.7 - 5.5 64-выв. QFN Промышленный (-40° ...+85°C), бессвинцовое исполнение 90USB1286-16MU
AT90USB647-16AU 8-16 2.7 - 5.5 64-выв. TQFP Промышленный (-40° ...+85°C) 90USB1287-16AU
AT90USB647-16MU 8-16 2.7 - 5.5 64-выв. QFN Промышленный (-40° ...+85°C) 90USB1287-16MU
AT90USB646-16MU 8-16 2.7 - 5.5 64-выв. QFN Промышленный (-40° ...+85°C), бессвинцовое исполнение 90USB1286-16MU

Документация:

  3258 Kb Engl Полное описание микросхем
  Полное описание контроллера интерфейса USB 2.0 Host/Device/OTG в AVR-микроконтроллерах AT90USB646/647/1286/1287
  Програмное обеспечение
  Инструментальные средства для 8-разрядных AVR-микроконтроллеров
    Найти поставщиков вы можете перейдя по ссылке Каталог фирм микроэлектроники

поставщики электронных компонентов






 
Впервые? | Реклама на сайте | О проекте | Карта портала
тел. редакции: +7 (995) 900 6254. e-mail:info@eust.ru
©1998-2023 Рынок Микроэлектроники